首 页
┆
文档资料
┆
下载资料
┆
维修视频
┆
汽修在线平台
请登录
|
免费注册
首页
电脑技术
家电技术
汽车技术
手机数码
机械工程
办公设备
电子技术
电工技术
>>
汽车维修资料
家电维修资料
电子电工资料
数码维修资料
手机维修资料
电脑维修资料
办公维修资料
机械维修资料
文档资料
下载资料
维修视频
奥迪A6(1906)
无法启动(1275)
迈腾(932)
熄火(831)
帕萨特(811)
维修手册(751)
当前位置:
精通维修下载
>
文档资料
>
汽车技术
>
汽车图纸
>
国产车系
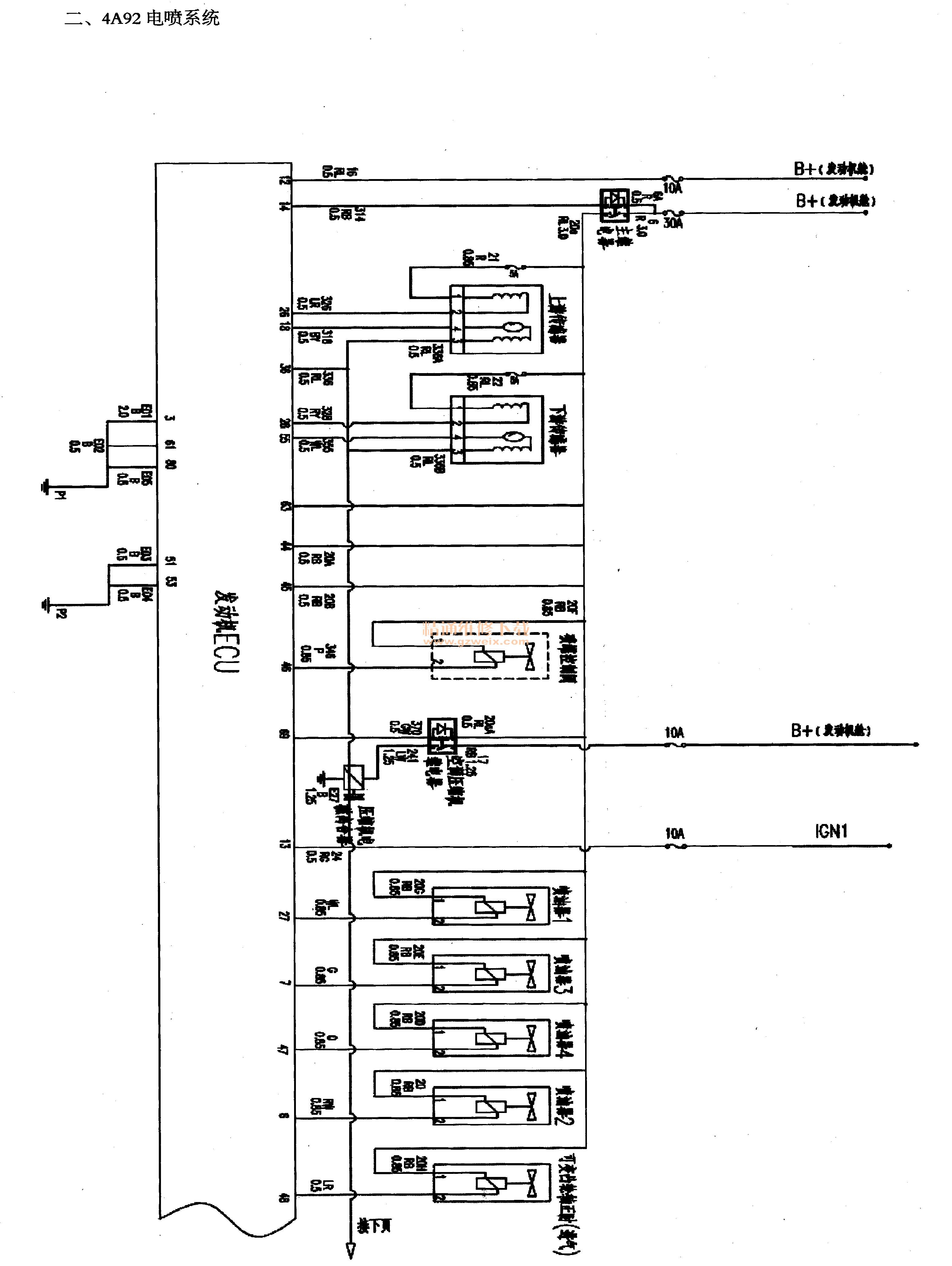
东风风行景逸X3电路图
来源:汽车维修技师 作者:佚名 2014-09-10 08:30:01
东风风行景逸X3电路图
[1]
[2]
下一页
关键词:
景逸电路图
分享到:
QQ空间
新浪微博
腾讯微博
人人网
网易微博
相关阅读
东风风行景逸发动机运转不良
东风风行不论是冷、热机状态,发动机都启动困难...
东风风行博世ESP9标定注意事项
东风风行一键启动车型特殊情况下启动方式
东风风行CM7前雾灯不工作检修
东风风行菱智M3开大灯水温高
东风风行CM7发动机故障灯偶尔会点亮
东风风行景逸X3电气系统电路图
·上一文章:
路虎极光仪表有“发动机故障灯亮”的提示
·下一文章:
细说国产轿车自动变速器维修技术(133)
[
] [
返回上一页
] [
打 印
]
1
好的评价
0%
(
0
)
差的评价
100%
(
1
)
文章评论
评论内容只代表网友观点,与本站立场无关!
评论摘要(共
0
条,得分
0
分,平均
0
分)
用户名:
!
分 值:
100分
85分
70分
55分
40分
25分
10分
1分
内 容:
!
通知管理员
验证码:
点击获取验证码
推荐阅读
图文阅读
东风标致508驻车辅助
东风标致508转向指示
东风标致508自动变速
东风风行景逸X3电气
东风风行景逸X3组合
东风风行景逸X3门锁
热门阅读
1
上海大众新桑塔纳轿车发动机控制系统
2
东风风行景逸X3电路图
3
东风风行景逸X3门锁中控、转向灯系统
4
东风风行景逸X3空调系统和倒车雷达系
5
东风风行景逸X3电气系统电路图
6
2012款吉利帝豪全新EC8轿车电路图--
7
大众全新捷达轿车电路图--驱动系统
8
东风风行景逸X3组合仪表电路图
9
东风标致508转向指示器/侧转向指示灯
10
东风标致508自动变速器控制系统电路图
关于本站
|
网站帮助
|
广告合作
|
下载声明
|
友情连接
|
网站地图
Copyright © 2007-2017
down.gzweix
.Com
. All Rights Reserved .
页面执行时间:31,609.38000 毫秒