·上一文章:大众CC天窗基本设置操作方法
·下一文章:剖析2015款雪佛兰赛欧3新技术(三)

5.机油压力监控
除机油冷却液热交换器外,在上部曲轴箱内还带有机油压力开关。该开关用于监控发动机机油压力并在低于50kPa时向发动机控制单元发送信 号。
6.机油喷嘴
在W20发动机上也通过机油喷嘴对无法直接与机油通道连接的部件进行润滑和冷却。通过安装在上部曲轴箱内的两个机油喷嘴对活塞顶和活塞销持续进行喷射和冷却。在其内部集成有一个单向阀,可确保机油压力达到约230kPa后才会开启。每个汽缸都有一个各自的机油喷嘴,该喷嘴通过其形状确保正确安装位置。
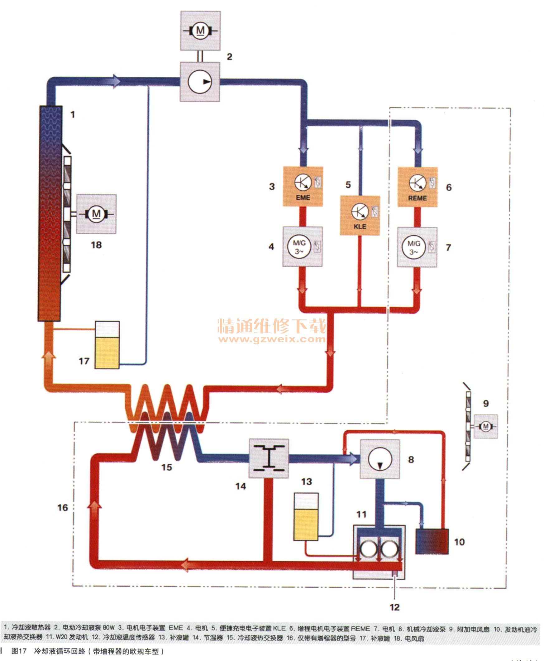
四、冷却系统
1.系统概览(如图17所示)

宝马I01作为不带增程器的纯电动车时,带有用于高电压组件的冷却液循环回路。车辆带有增程器时,通过另一个冷却液循环回路实现发动机冷却。图中展示了宝马I01的整个冷却液系统。