(接上期)
11.别克英朗
驾驶员侧车窗快速上升和快速下降功能:车窗电机内的逻辑电路检测到驾驶员车窗开关触点闭合/断开产生的电压变化,车窗电机将车窗玻璃按要求的方向移动。车窗电机如果检测到阻力过大,能自动反转,避免伤害被卡住的乘客。通过拉起和按住车窗开关可以撤销自动反向安全功能。
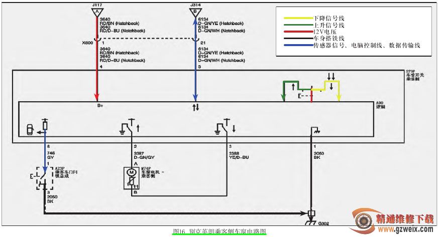
乘客侧、右后和左后车窗:当驾驶员想控制乘客、左后或右后车窗时,驾驶员将使用驾驶员车窗开关向车身控制模块发送串行数据信息,车身控制模块将向相应车门车窗开关发送串行数据信息,此开关将指令车窗按要求的方向移动。
车窗锁止开关:当驾驶员按下车窗锁止开关时,开关向车身控制模块发送串行数据信息,该模块将向后窗开关发送停用指令,将开关停用。但从驾驶员车窗开关上操作,后车窗仍将正常工作。(各车型电路图中颜色标注一致)
图15 别克英朗驾驶员侧车窗电路图

图16 别克英朗乘客侧车窗电路图

12.雪佛兰克鲁兹
驾驶员侧车窗快速上升和下降功能:车窗电机内的逻辑电路检测到,使用驾驶员车窗开关时触点闭合导致相应的电压变化,车窗电机将车窗玻璃按要求的方向移动。车窗电机如果检测到阻力过大,能自动反转,避免伤害被卡住的乘客。通过拉起和按住车窗开关可以撤销自动反向安全功能。
乘客侧、左后、右后电动车窗:乘客侧车窗和两个后门车窗同样具有两前窗的防夹功能和自动升降功能。驾驶员车窗开关通过串行数据电路与车身控制模块通信,当驾驶员想控制乘客侧和后门车窗时,向车身控制模块发送串行数据信息,车身控制模块将向相应车门车窗开关发送串行数据信息,此开关将指令车窗按要求的方向移动。
车窗锁止开关:当驾驶员按下车窗锁止开关时,开关向车身控制模块发送串行数据信息,车身控制模块将向后窗开关发送停用指令,将开关停用。但从驾驶员车窗开关上操作,后车窗仍将正常工作。