故障现象:一辆众泰大迈X7。该车早上冷车启动怠速低2分钟左右自动恢复正常,偶尔无法启动。
排故过程:
1、确认故障
车辆放置一夜,启动时故障再现,怠速500转左右,耸动,
EPS无助力,
EPS故障灯亮。
等待2分钟左右,怠速自动恢复正常,怠速平稳,
EPS故障灯熄灭。

C1261:转向角度传感器未标定
3、查阅电路图
共用1路IG电源
4、将车辆放置一夜
OFF:0V/ (— 20V)
ACC:12.32V/ (— 20V)
5、再次启动车辆
6、燃油压力测试
使用诊断仪接通燃油泵继电器------油压为: 410KPa
使用诊断仪断开燃油泵继电器------油压为: 360KPa
静置保压10分钟--------------------油压为: 300KPa
7、燃油泵在线测试
车辆运行时拔下燃油泵保险:
燃油压力波动明显,且发动机迅速(5S)熄火(异常)
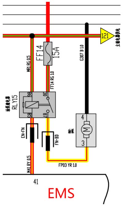
8、查阅维修手册
油泵电路走向
B+ FF14/15A 油泵继电器
油泵 搭铁
机舱线束 地板线束
9、检查线路
右前A柱下方,机舱线束与地板线束对接插头里面,油泵电源线插针擦痕不明显,并处理再次试车。
10、再次燃油泵在线测试
车辆运行时拔下燃油泵保险:燃油压力缓慢降低,发动机会正常运行1分钟左右然后出现耸动直至熄火。
11、再次将车辆放置一夜启动顺利,怠速运行平稳,故障排除
维修总结:该车因油泵电源线接触不良导致车辆冷车启动时油泵工作不稳定从而使发动机早上冷车启动怠速低(油泵转速低,系统油压低)极端情况下(油泵不工作)出现车辆
无法启动。