首 页文档资料下载资料维修视频汽修在线平台
请登录  |  免费注册
当前位置:精通维修下载 > 文档资料 > 汽车技术 > 汽车维修 > 其它殴美车系实例
路虎神行者2检查ABS灯亮检修
来源:本站整理  作者:佚名  2019-10-03 09:34:10

 故障现象确认:下雨天或洗完车时,仪表的ABS灯有时会亮,经检查,故障确实存在。

读取故障内容及SDD指导建议:用SDD检测,左前轮和右前轮转速传感器故障代码C0034-07,C0031-07 。
 
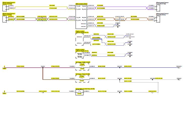
系统结构图及电路图:
故障诊断过程;
1.检查外表没有碰撞或拆装过现象,线路插头外表有明显水迹。
2.检查线路用万用表检测左前轮速传感器信号电压C1CA01A-45正常,C1CA01A-46 接地线路0.2欧姆正常。右前轮速传感器信号电压C1CA01A-34正常,C1CA01A-33接地线路0.2欧姆正常。
 
相关故障部位图片、数据流及分析:
故障原因分析: 经过测量排查,发现两前轮转速传感器插头没有装到位,线路插头有水分导致故障出现,经过处理,试车没有重现故障,问题解决!  
故障处理办法:清洁两前轮速传感器接头,重新处理防水密封圈,装配复原,清除故障码,试车故障没有重现,故障排除!
 
相关资料:精通汽修在线平台 99元VIP包年超值体验

关键词:神行者

文章评论评论内容只代表网友观点,与本站立场无关!

   评论摘要(共 0 条,得分 0 分,平均 0 分)
Copyright © 2007-2017 down.gzweix.Com. All Rights Reserved .
页面执行时间:16,763.67000 毫秒