H7系列大屏幕LED液晶彩电是创维公司2017年初推出的中端主销4K(分辨率为3840×2160)产品,采用8H66机芯,具体机型有50H7、58H7、65H7等。
一、机芯概述
该机芯彩电搭载酷开5.8操作系统,内置蓝牙、WIFI一体化模块电路,配用YK85型红外遥控器,支持AP热点及HDR 10bit、4K/2K H.265解码功能,其主芯片采用海思新款芯片H13751 AV551(U2),FLASH存储器采用8GB高速闪存EMMC(UOM3,型号为THGBMFG6CILBALL)、DDR存储器采用2只1 GB DDR4(UD 1、UD2,型号为K4A8G1 65WB -BCRC,伴音功放采用数字功放TAS5707(UOA3),高频头采用MXL661(UOT5),如图1所示。

H13751 V551是一款高性能ARM Cortex A73双核处理器,主频1.2GHz,集成高性能mail-450五核GPU,采用海思专业的图形引擎Imprex Engine技术,具有高品质图形渲染功能。
二、电源、背光电路分析
该系列彩电采用电源、LED驱动二合一板,下面以50H7型机所用电源板(型号:168P -L5KO17-00)为例进行分析。
该电源板采用FA5696(PFC驱动芯片)+SSC3S910(PWM驱动芯片)+0Z9903(障流驱动芯片)方案,主要由开关电源和LED灯条恒流驱动控制两部分组成。其中,开关电源部分由EMI整流滤波、PFC控制、PWM控制等电路组成,如图2所示。

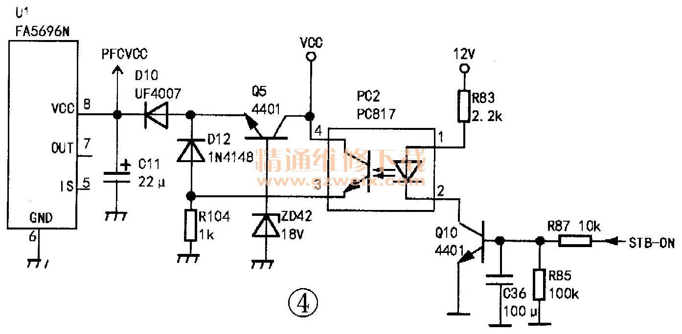
U1(FA5696)为PFC控制IC、U2(SSC3S910)是电流模式开关稳压电源控制IC、Q10、PC2、Q5及其外围元件组成开/待机控制电路,控制U1的供电。
上电后,220V交流电经EMI滤波送往开关电源电路,开关电源工作,输出+12V、+18V、+36V电压(此时为低功率输出状态),主板上的CPU得电工作。二次开机后,U1得电工作,输出380V电压,送往开关电源电路,此时开关电源为正常功率输出状态。
LEMI整流滤波电路
该电路如图3所示,F3是保险丝,TNR1是压敏电阻,LF1、LF2是共模电感,CX1、CX2是差模电容,R1-R6是泄放电阻。

2.开/待机控制电路
Q10、PC2、Q5、U1等元件组成开/待机控制电路,如图4所示。上电后,开关电源工作在BURST(突发)模式,输出的12V电压经主板上DC-DC变换后,为CPU供电;二次开机后,CPU输出高电平开机信号,Q10饱和导通,PC2的③、④脚内部光敏三极管饱和导通,Q5导通,U1的⑧脚得电工作,输出PFC电压给DC-DC电路。待机时,STB-ON信号变为低电平,Q10截止,PC2、Q5均截止,U1失电不工作,即PFC电路不工作,DC-DC电路工作在BURST模式。
