从检修统计资料看,灯管不亮一般都是启动电路失效造成的。接通市电电源后,220V交流电经VD1~VD4桥式整流,获300V直流电压经Rl向C3充电,当C3两端电压达到双向触发二极管VD11的转折电压(约35V)时,VD11击穿导通,并触发开关管VT2导通。尔后通过脉冲变压器T的耦合作用,使VT1、VT2交替导通或截止,从而建立起振荡。一般情况下,启动电阻Rl常因功率过小而经常损坏,Rl功率不应小于0.25W;双向二极管VD11的损坏是因为通过的脉冲电流过大而造成的;启动电容C3通常不会出现问题。启动电路一旦发生故障,振荡器就会停振,导致灯管不亮。
Rl损坏大多是开路,非在路测量阻值呈,外观颜色烧焦变黑,可用470~820kΩ、1/4W的电阻更换。VD11损坏大多表现为内部开路,由于完好的双向二极管两引脚间的正常电阻为,故难以采用电阻测量法判断其好坏,一般可采用以下三种方法进行判断。
(1)在线测量法
在确认电路没有短路故障的情况下,可通电测量其两端电压。具体方法是:将万用表置DC50V档,正表笔(红)接Rl与C3接点,负表笔(黑)接VT2基极。若指针指示25—40V,则VD11是好的;若电压过高,则VD11开路损坏。
(2)交流测量法
焊下VD11,将万用表置AC250V档。将VD11-引脚与一只表笔串联;另一引脚和另一表笔插入220V交流市电插座中。若交流电压指示比市电低25~40V,VD11是好的;若电压表指针不偏转,为VD11内部开路;若电压值与市电压相同,则VD11内部击穿短路。
(3)元件替代法
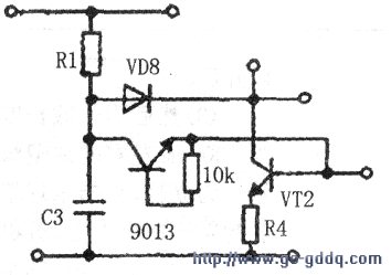
如怀疑VD11损坏,最简单最直观的方法是用良好的双向二极管代换。双向二极管损坏后,如手头一时没有备用元件更换,也可以用~只小功率NPN型晶体管代替,进行应急处理。方法是:在晶体管(如9013)基极和发射极间接一只电阻(8.2—12kΩ),再将集电极接在Rl与C3的焊点上,发射极接VT2基极即可,如下图所示。这样作成本比DB3型双向二极管低,且比DB3更为可靠、实用
