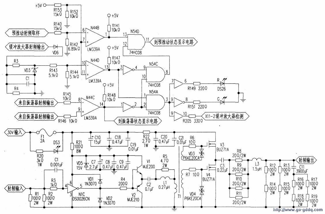
此发射机缓冲放大器输出检测电路位于A32显示板,相关电路见上图。
其工作原理如下:N44D为电压比较器,同相输入端接参考电压,反相输入端接缓冲放大器输出经检波的直流信号。缓冲放大器正常工作时,检波后的直流电平高于同相端的参考电压,比较器N44D输出低电平,该低电平通过与门N54A.由反相器N54D倒相为高电平,从而点亮绿色指示灯,表明缓冲放大器工作正常。
反之,当反相器输入端来的检波电压低于同相端的参考电压时.N44D输出高电平。在激励器正常的情况下,与门N54A的②脚为高电平。因此N44D输出的高电平通过与门N54A.由N56C驱动点亮红色指示灯,表明缓冲放大器有故障。同时.N44D输出的高电平经N55B倒相为低电平,经与门N54D的(12)脚,用于检测预推动故障。
故障检测:加1.8V低压检测N44D的(11)脚,参考电压正常。测(10)脚无电压,表明没有检测到缓冲放大器输出的检波电压。关机,在路测量R3、R4、R143、R144、Cl、VD3、VD6正常,加低压检测VD6阳极电压(MF-47型万用表10V交流挡)为零,表明缓冲放大器没有输出。缓冲放大板器位于A16板,电路见下图,加低压,测量Cl左端有3V交流电压,说明有射频输入,故障肯定在A16板。目测DS3不亮,表明Fl正常。测量Fl左端有30V直流电压,表明供电正常。由于A16板是插在A14板上的,上述数据是在A14板上测量的,而要进一步用电压法测量极不方便。于是关掉低压,拔出A16板,采用电阻法继续测量。目测A16板,无明显烧焦、变色、爆裂、虚焊现象,也无异味。用Rxl00电阻挡测量R21、R22正常,表明供电基本正常,负载无明显短路现象。进_步测量V1~V4.正常,于是把思路转移到耦合电路,重点检查R4、C2、Ll、R5、Tl、C3、R8~R11、L2等工作于高频、大功率状态的元件,当测量到L2时,发现电阻为2kΩ,.正常应该接近零。问题找到了,但是厂家没有提供备用元件。本地市场没有这种电感元件出售。L2标称值为1.5μH,通过对比发现备用的功放板上有1.8μH的电感,遂用之代换。结果是可以开机播音,但缓冲放大器指示灯亮红灯,估计是所代换的L2有20%的误差所致。后来又找到一只lOμH电感,准备并联使用,通过公式计算1.8xl0/(1.8+10)=1.525ll,H,误差可以缩小到不足2%。并连后再次开机试机,测量L2右端有1.4V交流电压,发射机恢复正常。
故障总结:由于工作在高频、大功率状态,元器件多因发热损坏。想到以前维修一些高档家用电器时,大功率器件一般采用铜铆钉的焊接方式,可以有效地解决发热、虚焊等问题,笔者认为本例故障中.L2没有采用.功率较大的“工”字型电感,而用小功率的色码电感是故障的根本原因。
