·上一文章:一台无牌山寨手机加电即自动开机,按键全部失灵
·下一文章:ZTC手机加电按开机键,不能开机,电流反映相当小,大约停在5mA左右不动
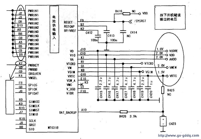
该机用的的电源IC是MT6318。
MT6225在开机时所需要的供电见上图。
MT6318的电路原理图见下图。
与MT6305类似,其Gl脚输出的供电也有2种,由K4脚来控制:K4为高电平则G2输出2.8V;K4为低电平则G2输出1.8V。
故障分析:MT6318是内引脚的,其输出供电的检测不太方便,但是其每个供电都需要外接滤波电容,可以在电源周围的电容上进行测量,这种检测方法虽然不能明确的知道测得的电压是哪个引脚输出的,但至少可以判定MT6318该输出的6个供电(包含给主时钟振荡器的2.8V供电VTCXO)是否够数。
故障检测(1):加电,按住开机键不松手,再测量电源周围电容上的电压。
但是,连续测量了2遍,都没有测到1.8V电压,这个电压该由MT6318的Jlo输出,供给CPU的内核电路使用,如果缺少了这个电压,CPU肯定是工作不了的。
故障检测(2):补焊MT6318,冷却后加电再测,还是没能测得1.8V,看来要么是电源损坏了,不能输出该供电;要么是MT6318的Jl0脚对外断线了。
故障检测(3):取下MT6318,能找到和110相通的电容,这说明它们没有断线,那就只能是MT6318损坏了。
故障检测(4):更换MT6318,冷却后加电按开机键,手机开机了,再测量验证其供电输出,5个电压一个都不少。

