·上一文章:智能广播控制器只要一停电后再来电,就控制失灵
·下一文章:万家乐TM8型热水器点火有爆鸣声
此机通电后,锅内不停的发出“嘀嗒”声,控制面板上的显示屏无任何显示,也没发出复位蜂鸣声,各功能操作无效。
细听此“嘀嗒”声来自继电器,是其触点不断的吸合与断开碰触产生的,说明市电已经到达锅内低压电路。根据故障现象分析,问题应该出在低压电路的+5v供电回路或者CPU工作异常。
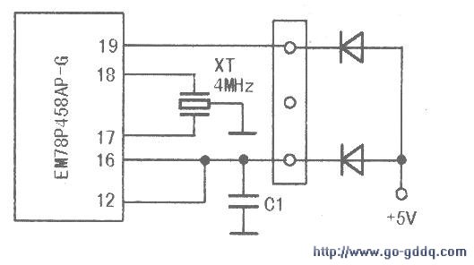
如图所示,测量CPU( EM78P458AP-G)的供电(12)、(16)、(19)脚电压为4.5V正常;测量晶振输入、输出端(17)、(18)脚电压均为1.5V左右(正常时,两脚电压有0.3V左右的差值)。当测量(18)脚电压时,蜂鸣器发出复位提示声,显示屏出现正常显示,此时各功能操作恢复正常,压力锅正常运作。只是断电后再通电则故障重现。
此后通过试验,只要在通电状态下,用手摸一下或者用插上电源的电烙铁接触一下晶振XT( 4MHz)的两引脚,均能正常工作。如果用电烙铁点焊,则在一个小时内,无论多少次通、断电,压力锅工作均正常。由此认为应该是晶振不良引起本故障,但换为新晶振后故障现象不变。
会不会是EM78P458AP-G的(17)、(18)脚铜箔线之间漏电呢?试把EM78P458AP-G的(17)、(18)脚悬空,并拆下4MHz晶振,搁置几个小时等待电路板冷却后,用RxlOk挡检测,EM78P458AP -G(18)脚焊盘与地之间存在lOOkΩ左右的漏电电阻。用小刀子在XT焊盘(即接EM78P458AP-G的(18)脚和XT接地端之间)上使劲刻几下,复测其电阻已为无穷大。复原电路后试机,故障排除。
