·上一文章:飞利浦105E11彩显开机烧保险管
·下一文章:青岛SR5417遥控彩电不能搜台
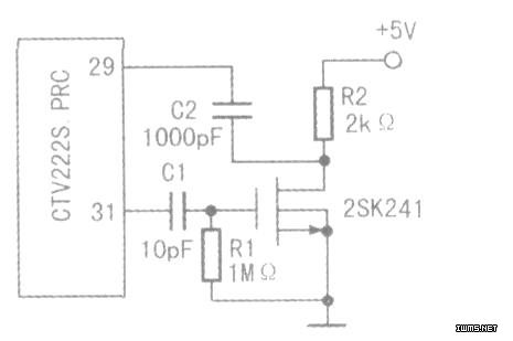
此机的CPU为CTV222S.PRC1,开机查CPU(26)、(27)脚行、场逆程脉冲输入正常,(28)、(29)脚屏显振荡电压也正常。改用示波器检查,(28),(29)脚无振荡波形。将(28)、(29)脚外接电容、电感全换掉后,仍无振荡波形,判定CPU内部屏显振荡器损坏。因这点故障换CPU甚为可惜,于是考虑改动修理。试将幅度为5Vp-p、频率为10MHz的高频信号引入(29)脚((28)脚也可),按遥控键,发现有正常的屏显。在准备外装一高频振荡器代替CPU内部屏显振荡器时,忽然想到CPU的时钟振荡器也是10MHz,将此信号引到(29)脚,效果不是一样吗?为避免影响时钟稳定性,用一个场效应管K241缓冲放大后引入(29)脚,屏显正常。具体电路如图所示。
时隔不久,又接修一台同类故障机,如法炮制,却没有成功。发现(29)脚只有输入6Vp-p的高频信号时,才有稳定的屏显,而按图2所装的电路,最大输出幅值不会超过5Vp-p,所以需改造一下。将R2(2kΩ)换成lOμH电感,问题解决了。这里需说明的足,(28)、(29)脚外电路拆除与否,对屏显没有影响。
