·上一文章:泰山TS54C8彩电,画面图像模糊似重影且有断续白线干扰
·下一文章:福日HFC-2176彩电图像上出现网纹干扰
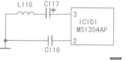
由故障现象分析可知,这是图像中放存在问题。测量中放:IC(M51354)各脚电压.发现2、3脚电压不稳。最后查出是AGC检波高次谐波电容C116(O.1μF)漏电,如图所示。换新后故障排除。该电容不良会使检波时产生的高次谐波同时窜入视放电路形成干扰,使中放Ace电压降低造成中放增益下降,图像变淡。
故障原因:色度陷波器L601内谐振电容漏电
