·上一文章:海信HDP3406D(飞利浦高清机芯)彩电图、声正常,但亮度偏暗
·下一文章:海信TF2988(TB1238机芯)彩电水平亮线,无伴音
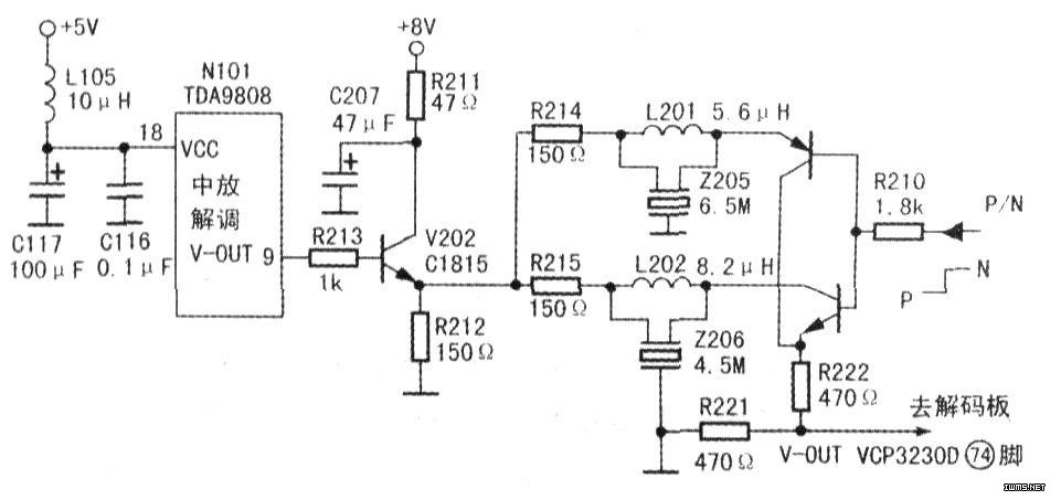
此机在TV状态下,将故障机的AV输出信号送至另一台机器进行观察,结果仍是满屏横条干扰,也没有伴音,说明该机中放电路工作异常,通过检查发现该电路中TDA9808供电端(18)脚外接电感L105开路(如图所示),用导线将其直接短路后故障排除。
提示:当中放电路没有工作而无电视视频信号输出时,解码板解调不出图像,通常会出现黑屏或“白板”光栅现象,但海信这款机芯却“表现”不同,另外,本机中电感L201易出现内部接触不良现象,其故障表现是:声音正常,但图像是时而正常,时而出现满屏白横条干扰,该故障极易被误判为解码电路中VPC3230D性能不良,望引起大家注意。
