·上一文章:长虹C2591D彩电(TDA8362机芯),有伴音但黑屏
·下一文章:熊猫C54L1彩电,出现有伴音、无字符的黑屏
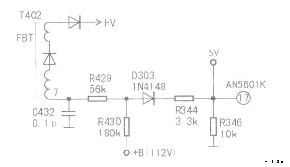
查末级三视故管c极电压达l70V,调高,加速极电压,出现很亮带回扫线光栅,并伴有极淡薄图像,但将电压稍微调低一点,图像马上消失(实际是视放管彻底截止),只有回扫线光栅。查视频色度行/场振荡及小信号处理集成块IC301(AN5601K)(17)脚(清晰度/ABL控制端)电压为-1.2V(正常3.4V),这是典型ADL电路动作的故障表现。如图所示,查ADL电路,发现ADL电压取样电阻R430巳开路,换新后故障排除。
