·上一文章:微星PT890 Neo-V主板加电后自动断电
·下一文章:EMC 777NS显示器,图像偏红色
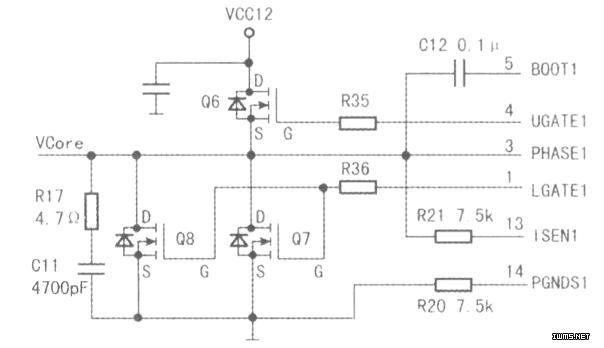
首先用万用表测量主板上的小l2V电源接口对地阻值,发现其阻值仅为57Ω,而正常的同样主板上应为410Ω左右。判断主板上的l2V供电电路部分存在着短路情况。如图所示,这块主板采用的是Intel的VRM9.1供电标准,使用L6917的电源控制驱动一体化IC。由于在CPU供电电路中,最容易发生短路的地方就是CPU供电的上管,于是先测量其中的一相供电的上管Q6(l5NO3),将万用表置于二极管挡,用红、黑表笔交替测量Q6的任意两极,发现Q6的D极和S极阻值只有10Ω,说明Q6已经被击穿。将Q6用热风枪吹下,再测量l2V电源端对地的阻值,其阻值已经恢复正常。换用新的l5NO3MOS管重新焊接到Q6的位置,再对l2V电源口的对地阻值进行测虽,测得阻值为400Ω左右,说明此主板的l2V供电部分不存在短路。插上CPU、内存、显卡后,主板加电正常开机。此板修复。
