·上一文章:松下NV-710型全自动洗衣机进水不受控
					·下一文章:松下NV-710型全自动洗衣机不能正常运转
				
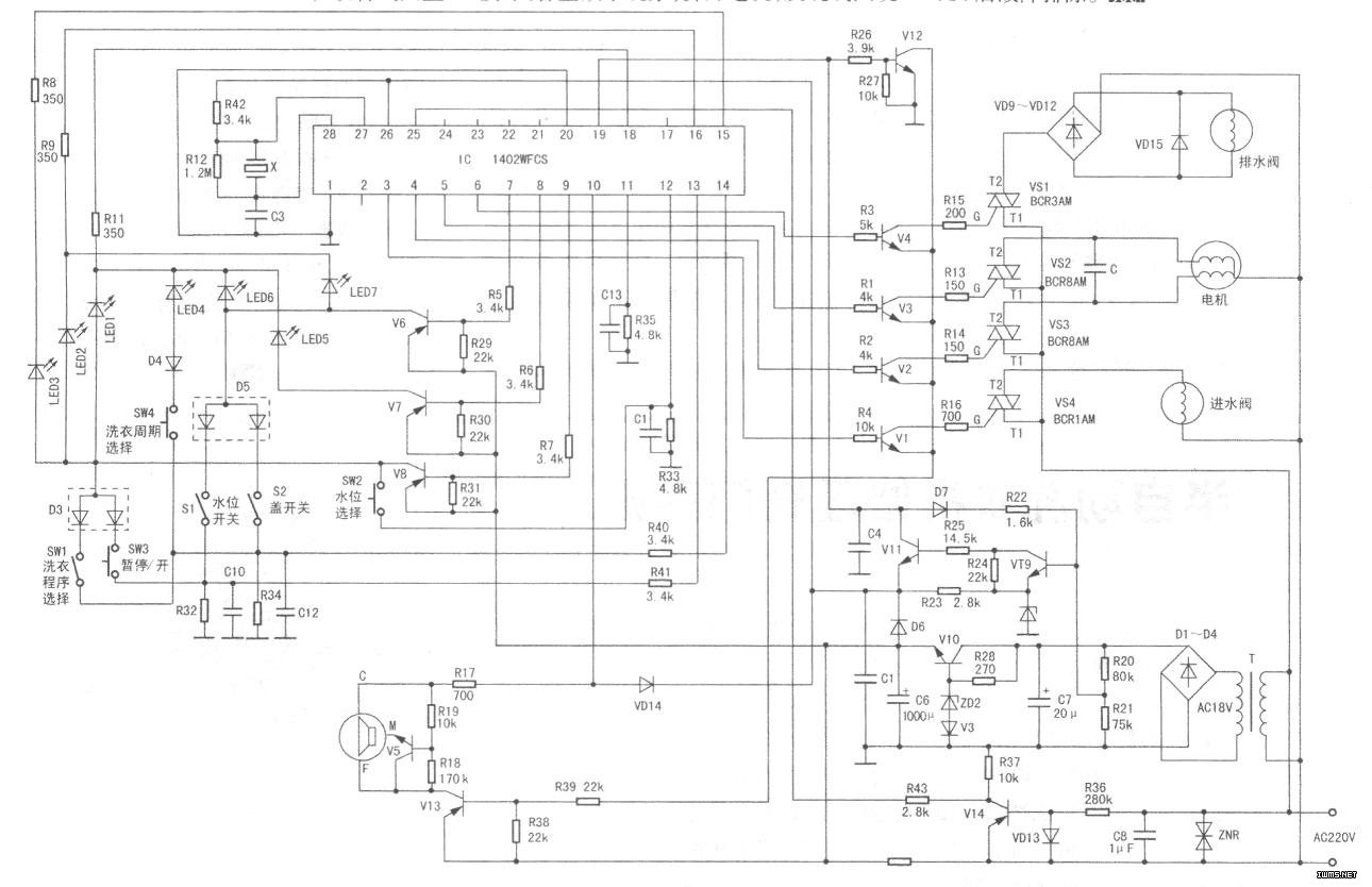
		       洗衣机在使用过程中突然停转,发出“嗡嗡”声井有烧焦的昧道。手模电机特别烫手;测启动电容C未见损坏、容量减小现象;拆开电机,发现线围绕组多处发黑烧断。更换电机后通电,电机还是不转,且“嗡嗡”声很大。用表测量电容C的两端均为220V,故断定控制电路存在故障(相关电路如图所示)。拆开洗衣机面板,经查,控制电路三极管V1、V2均击穿短路。拆下损坏器件,用两只型号为8050的三极管代换后,故障排除。
