·上一文章:ST3PA系列电子时间继电器通电后D3 亮,延时后无反应
·下一文章:LG FB775C型彩显黑屏
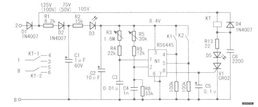
由图可知,供电部分分为两路,一路经D1、R1、D2、R2、D3串联后向集成电路N1供电,另一路经D1向继电器KT的线图供电,所以应重点检查第一路。
在不通电的情况下,用47型万用表的Rxlk挡在路检测R1、R2是否开路。这两只电阻的功耗较高,在正常工作时发热较严重。
如R1、R2损坏,可在空间允许的情况下,换用功率稍大的同阻值电阻。另外,对与之相连的焊点、印刷铜箔也应细致检查。然后检查Dl~D3的正反向电阻值,更换开路、不良的元件后试机,一般均可恢复正常工作。若仍不正常,可将K1、K2拔到断开位置,检测N1(3)脚的对地阻值:正向为22kΩ,反向为7kΩ。若大于此值,说明N1失效或不良,应予以更换。实测N1的工作电压为8.4V,工作电流只有6mA,故极少损坏。
