·上一文章:美的SH12115电磁炉上电开机后,无锅不报警、不加热
·下一文章:美的EY182型电磁炉不报警,不加热
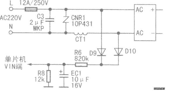
该机故障代码“E07”表示市电电压低于AC160V.“E08”表示电压高于AC250V。实测得市电压为AC217V,并未超过保护值,看来问题出在市电检测电路中。如图所示,市电经D9、D10全波整流及R6、R8分压后,经电容EC1滤波为直流电,送往单片机的VIN端,作为市电检测信号。单片机内设有电压的上下限阈值,一旦VIN值超过其阈值,单片机将发出关机指令,并显示故障代码。从故障现象分析,故障原因应是送往单片机VIN端的电压过高,结合电路看,导致VIN电压过高的原因可能是R8开路或R6阻值减小。仔细察看,发现贴片电阻1K8中部已断裂,用一只12kΩ的色环电阻换上后,故障排除。
