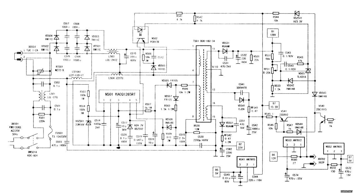
此机开机三无,分析故障在电源或行扫描电路上。拆机检查,发现电源保险管烧断发黑,说明存在严重短路故障(电源电路见图)。进一步检查,发现整流二极管VD504击穿损坏,测滤波电容C510两端阻值正常。更换VD504和3.15A保险管后开机,只听“啪”的一声,保险管烧断,测量VD504再次击穿。更换VD504和保险管后,用一只60W灯泡代替线圈L504A1,发现一开机灯泡就很亮,说明电源还存在故障。经检查发现,主电源整流二极营VD531击穿,其他未见异常。更换VD531,断开电源其他负载,主电源接一只灯泡作为负载,开机瞬间灯泡很亮,立即关机,说明稳压电路有故障。
检查稳压电路未见异常,由于N503(TL431A)不易测量,所以把它换掉试机,电源正常了,证明是N503损坏造成电源不稳压。确定电源负载无短路故障,接上负载试机,电源指示灯壳,紧接着“啪”的一声,又三无了,一查保险管、VD504、VD531连同电源厚膜块都损坏了,说明电源的主要负载电路(行输出电路)可能存在故障。把损坏元件更换后,调整RP531使电源输出电压最低(11OV左右),拆掉给行供电的限流电阻471,用一只60W灯泡代替,开机,指示灯亮,几秒钟后有高压声,调整加速极电位器可以看到缩小了的并伴有场交越失真的蓝屏,由于行供电电压低
(实测50V左右),场供电又是行供给,出现这种现象很正常。低电压能工作,高电压就烧机,最大可能就是高压打火,只有逐步提高电压通过观察来判定。将60W灯泡换为100W的,并两只2.2μF/2kV电容在逆程电容上。开机,指示灯亮,几秒钟后随着高压的产生,有比较轻的打火声,紧接着电源停振,几秒钟后又起振,打火后又停振,如此循环。在暗处开机观察,发现高压包上端有一处向电源散热片打火,由于打火处空间有限,又被固定高压包的铁板挡住,所以不易发现。拆下高压包,检查发现在高压包上端有针尖大的一处破痕。由于本地购不到此高压包,所以用手里的长虹BSC62J高压包,将(3)、(2)脚用导线互换后代换,拆除并联电容,将主电源调到正常值,开机进入总线,微调行、场幅度后试机,图声正常,故障彻底排除。
提醒同行,如遇到电源模块是KACQ1265RT的同类故障,一定要注意次级整流营、负载和稳压电路,对于稳压电路没把握的元件,最好就是代换。
