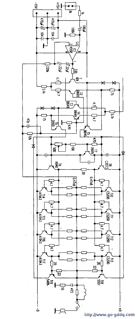
该功放由两路独立的功放电路组成,根据实物整理出该功放一声道电路如附图所示。IC1双运放4558既作前置放大器又作后级OCL电路的直流伺服,T1、T2、T3、T4组成双差分放大器。由电源板输入的±15V电压既为运放供电。又担当差分电路的恒流源。T5、T6是电压放大级,T8、T9是电流放大,17是恒压偏置。T10~T17是四对功率管,T18、T19是过流保护电路。
经检查确认八只功率管中有五只已坏,推动级T8、T9,恒压偏置T7,保护电路T18也都损坏,周围电阻也有烧坏的。在检查差分电路无损坏元件后,将所有损坏的中小功率三极管和电阻都换新,大功率对管暂时不安装。然后送电测试,在大功率管没安装时,正常情况下T8、T9两推动管的发射极电压应在±0.5V左右。而此功放板电压几乎等于负电电压,说明T9已饱和导通,引起T9饱和导通的原因是T6已饱和导通。是什么原因造成T6饱和导通呢?在检查差分电路元器件均无损坏和变值的情况下,索性将T1、T2、T3、T4用测试配对的新管替换,连运放4558也更换掉,但故障依旧。于是采取与另一正常声道功放板对比电阻测量的办法来找原因。从输入端开始,在测到4558第①脚时发现两块板差别很大,运放是新换的,外部直流通路只有一只330Ω电阻,在路测量其阻值大于330Ω,拆下测量已经开路,将其换新后故障排除。
分析原因是此电阻开路后差分输入端悬空,失去直流伺服所致。按常规此电阻在差分输入端,工作在小信号小电流状态,此电阻损坏的可能性极小,所以在前边检查时忽略了它。该电阻为什么会开路呢?除非是4558损坏导致输出端接近正负电源电压而过流烧坏。
按理论分析此电阻烧坏必然导致差分输入管烧坏,但是此功放板差分输入级因使用的是中功率管D669和B649有较大功率余量,因而未损坏,这也是在检查差分电路时未查此电阻的原因。
在T8、T9两推动管的发射极电压恢复到正负0.5V左右后,安装上八只功率管后再送电调试,因恒压偏置管已更换,于是调整该管下偏置可调电阻使功率管b、e结电压为0.5V。测输出端电压为0V,说明电路已正常。接上音箱和信号漂试听,两声道效果一样,维修结束。
