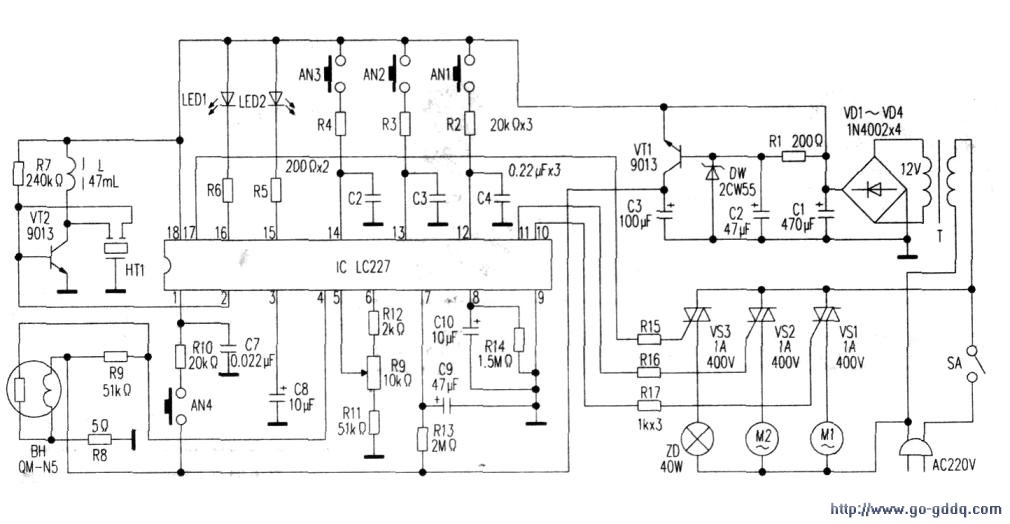
该机因长期不维护烟熏火燎连铭牌也找不着了。笔者根据实物测绘出电路原理图见附图所示。该电路由IC(LC227)、双向可控硅VS控制开关电路、报警发声电路、气敏半导体传感器、手动按钮、显示器等构成。LC227集成块为直插式(18脚),内含有电压比较器、开机清零电路、开机延迟及基准电压产生电路、自动关机延迟电路、自动,手动选择控制电路、自动,手动显示驱动电路、报警控制电路、照明灯控制电路和两路可控硅触发电路。
工作原理:当220V市电经电源变压器T降压后。由二极管VD1-VD4桥式整流、C1滤波后,再经三极管VT1及稳压管DW、C1、C2、C3、R1组成的简易稳压电路输出直流6V供给IC:当电源通电时,IC内部电路自动清零,这时IC的(16)脚输出低电平,自动工作指示灯LED1点亮。表明电路工作于自动模式。IC的(7)脚通过电阻R13对电容C9充电,延迟一段时间后(电压充到转换电平时),IC的(6)脚输出高电平。经过R12、RP及R11的分压产生基准电压,通过RP的中心触点供给IC(5)脚内部电压比较嚣V+端(调节RP阻值大小可以设置其基准电压从而控制气敏半导体传感器的灵敏度)。如果此时室内没有油烟气体。气敏半导体传感器BH以高电平方式将电压加到IC(4)脚内部电压比较器的V-端,使其内部电压比较器输出低电平,则报警器不报警。
同时电机也不转。一旦BH检测到油烟时,BH的输出电压下降。当下降到小于V+端电压时,内部电压比较器翻转,此时输出高电平,则IC的(2)脚输出报警信号。经三极管VT2放大后推动压电陶瓷片HTD发出报警声(其报警频率可通过调整C8来确定)。在报警时,IC的(8)脚输出高电平对C10充电:当C10上的电压上升到自动,手动选择控制转换电平值时,IC的(10)、(11)脚同时输出低电平,导数双向可控硅VS1、VS2同时导通。左右风机M1、N2同时运转开始排风抽气。工作一段时间后。油烟排除干净。BH的输出电压又回升,当升到V+端以上时。IC内部电压比较器翻转。输出低电平,这时报警器立即停止工作,自动关机延时电路通过R14放电,然后左、右风机自动关机(其延时时间由C10、R14的充电时间决定1。当按动自动/手动控制选择按键AN4时(即输出一个高电平脉冲加给IC(1)脚),这时由自动方式转为手动方式,其指示灯LED2点亮,表明整机处于手动控制状态:按动AN1键时,IC的(11)脚即输出低电平VS2导通,左风机工作:再次按动AN1键时,IC的(11)脚呈高阻态,VS2截止。左风机停止运转。同理。按动AN2键时IC(10)脚输出低电平,VSI即导通,右风机运转;再按动AN2键时,IC(10)脚呈高阻态,VS1截止,右风机停止运转。AN3是照明控制键,按动一下按键IC的(17)脚导通,输出低电平,VS3触发导通,照明灯ZD点亮,再次按动AN3键VS3截止。如此反复循环。
通过以上对原理图的分析和认识,回过头来看抽油烟机不工作,接任何键都没有反应,这就说明IC没有工作。这时主要检查Ic的(18)脚电压。用万用表测量为0V不正常(正常6V),再测量VT1的b—e、c—e极间都没有电压(可能是R1烧断)。用万用表测量R1的阻值为200Ω(正常)。正准备要测量变压器二次侧的电压时。发现其有一引线在焊点处已腐蚀断头。用烙铁补焊好后,通电试机一切正常。
