·上一文章:长虹29D85彩电出现不定时黑屏
·下一文章:TCL王牌2911D彩电灯亮不能开机
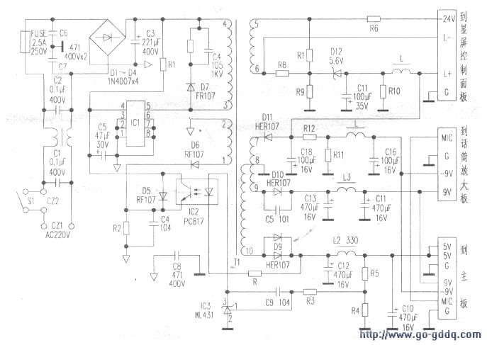
由于该机采用开关电源,因此怀疑是开关电源故障。由于双列直插封装的八引脚电源控制芯片的型号已被厂家打磨掉,为了检修方便特绘出其开关电源的原理图,以便检修(见附图)。先检查电源板上初、次级上的元件,并未发现有元件烧坏的迹像。断开次级输出端的三个排插,再通电后测量次级各组均无输出。测量初级主滤波电容C3两端的+300V正常,说明初级电路并无短路及过流现象,断电后测C3两端还有较高的直流电压,说明开关电源并未起振。
通过原理图分析,导致不起振的原因主要有:ICl不良损坏、启动电阻R1开路或阻值变大、以及由IC2和IC3等构成的稳压控制环路发生故障。由于初级无过流现象,怀疑IC1损坏的可能性不大,先检测启动电阻R1,但未发现异常。为了进一步确定故障点,通电后检测ICl(③接红笔、④脚接黑笔),发现有0~12V以上的循环跳变电压,正常应是稳定的8.7V。由于次级无输出电压,所以IC2的①、②脚间毫无疑问为0V,而正常应有1.1V。于是检查稳压取样组5V输出电路,发现+5V的输出端的对地电阻正反均接近0n。检测+5V的整流二极管及滤波电容,发现D9两端并联的另一只二极管已击穿短路。将其更换后通电测量各组输出电压值正常后,再将三组供电排插插上,最后试机恢复正常。
小结:导致故障的机理是,由于稳压取样+5V端的整流二极管D9击穿短路,使该绕组的交流电流流向C12及C10。由于电容具有隔直流通交流特性,所以该绕组的交流电流经击穿的二极管通过C12及C10对地形成短路。因IC2内的发光二极管无电流通过,而光敏三极管便处于截止状态,使开关变压器T1的②-①绕组的反馈电流无法送至IC1的④脚,而使ICl停振。
