1、笔记本电脑CPU、芯片组与EC芯片综述
    CPU是整个笔记本电脑的运算核心,其性能强弱很大程度上决定了笔记本电脑的整体性能。随着制造工艺和架构设计的提升和创新,CPU内开始集成越来越多的功能模块,如PCI-E控制器、内存控制器等,从而使CPU的效率更高,并承担笔记本电脑内更多功能模块的控制工作。
    芯片组是笔记本电脑主板的核心,由于CPU集成了PCI-E控制器、内存控制器等原北桥芯片的功能,芯片组由原来的北桥芯片和南桥芯片双芯片架构衍变成现在的单芯片设计。但笔记本电脑主板上的大部分功能模块还都是要与芯片组进行通信,而笔记本电脑上大部分信号的产生也都与芯片组有关,特别是在开机启动的过程中,芯片组的作用是不可替代的。
    EC芯片同样是笔记本电脑主板上十分重要的芯片,在开机启动过程中具有不可替代的作用。其不仅负责键盘、触摸板以及状态指示灯等硬件设备的控制,还承担着部分电源管理工作。
    所以,掌握笔记本电脑的CPU、芯片组与EC芯片的基础理论知识,是学习笔记本电脑故障检修的过程中不可或缺的一部分。
    1.1  CPU理论基础
    从某种程度上讲,CPU的革新是推动笔记本电脑性能不断提升和架构不断升级的原始驱动力。随着CPU制造工艺和核心架构的革新,CPU内部不仅集成了显示核心,还集成了内存控制器、PCI-E控制器等功能模块。在旧平台中,显示核心通常集成于北桥芯片内,而内存控制器、PCI-E控制器等功能模块也都集成于北桥芯片内。
    CPU集成显示核心、内存控制器、PCI-E控制器后,芯片组的双芯片设计衍变为单芯片设计,这使得整个笔记本电脑系统在显示性能、内存和独立显卡控制方面的性能大大提升,而且还节省了主板的功耗和体积。
    笔记本电脑采用的CPU通过针脚插装在主板的CPU插槽上,从而实现与主板上各种功能模块之间的数据传送,并得到主板上CPU供电电路提供的供电。所以CPU的外部连接电路可以分为信号电路和供电电路两个部分。
    笔记本电脑CPU的供电部分,已经在前文中介绍过,在此不再赘述。CPU与各种功能模块之间进行数据交换是通过总线系统完成的,这将是下面重点讲述的内容。
    总线(Bus)是计算机各个组件之间规范化的数据交换方式,是由导线构成的数据传输路径,是笔记本电脑内各个功能模块之间进行数据传输的硬件通道。不同的总线具有不同的性能和特点,适用于不同的使用环境,而总线标准规定了总线内各导线的时序、电气和机械特性等参数。
    总线有很多种分类方法,如根据总线的结构可将总线分为并行总线和串行总线,并行总线是每个信号在传送时都有专用的信号线。串行总线则是所有信号传送时都复用同一对信号线。而按照总线的功能又可将总线分为片内总线、内部总线和外部总线等。
    用于描述总线性能的概念主要有总线频率、总线位宽以及总线带宽。总线频率是指总线在工作时的时钟频率,单位为Hz,其他单位还有MHz和GHz,理论上是工作频率越高,总线的传输速率也就越快。总线位宽是指总线可同时传送的二进制数据的位数,用bit(位)表示,如32bit、64bit等。总线位宽越大,在单位时间内能够传输的数据也就越多。总线带宽是总线数据的传输速率,指单位时间内总线上传送的数据量。总线带宽二总线位宽x总线频率x 1/8。
    应用于笔记本电脑的总线类型不是一成不变的,而是随着技术和相关硬件设备的革新而不断衍变出新的总线类型。如旧平台上Intel公司用于CPU与芯片组连接的FSB总线已经被DMI总线所代替,这正是由于系统架构改变或对性能提升的需求所产生的变化。
    目前应用于笔记本电脑上的CPU主要有Intel公司的酷睿i系列处理器和AMD公司的APU系列处理器。Intel和AMD两家公司设计的CPU都集成了显示核心和内存控制器,但是在一些总线的使用和CPU的外部电路连接上,区别还是很大的。
    而且,不同代的酷睿i系列和APU系列CPU也是有区别的,如总线频率的提升等。所以在学习笔记本电脑检修技术时,应首先了解CPU引脚的意义,然后逐步掌握最重要和最容易出现故障的一些引脚外部连接电路,下面将分别系统概述Intel公司和AMD公司设计的CPU内部功能模块的意义。
    1. Intel公司的CPU
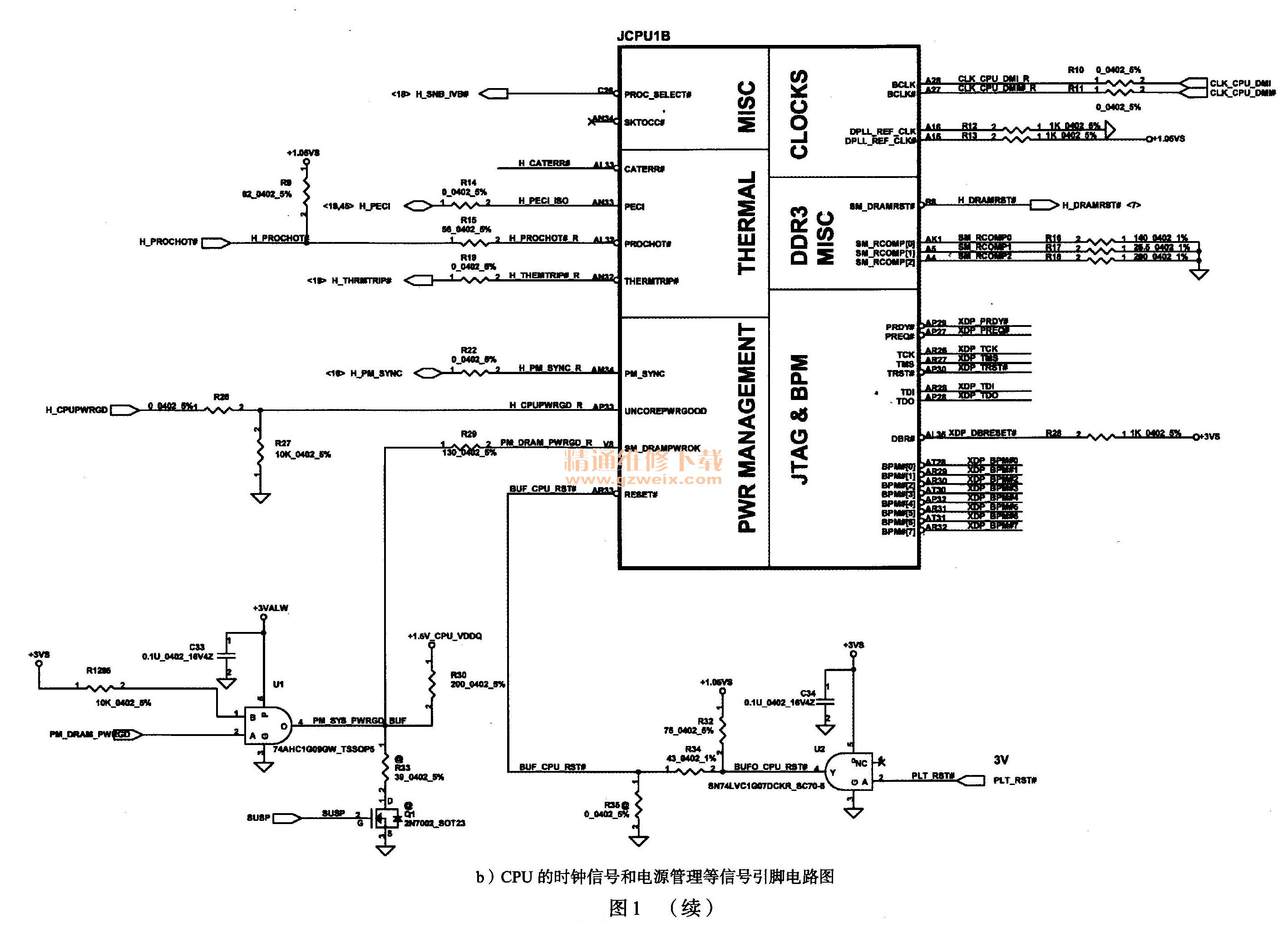
    如图1所示为Intel公司酷睿i系列CPU的信号引脚电路图,图1a所示为CPU的eDP、FDI、DMI和PCI Express信号引脚电路图,图1b所示为CPU的时钟信号和电源管理等信号引脚电路图,图1c和图4-1d所示为CPU的内存控制信号引脚电路图。




    eDP(Embedded DisplayPort)可翻译为嵌入式DisplayPort. 2006年,VESA(视频电子标准协会)发布了DisplayPort1.0标准,是一种针对所有显示设备的开放标准。DisplayPort具有高带宽,可传输高清晰音频、视频,既可支持外部接口,又可支持内部接口等良好的特征,还具有先进的内容保护技术。
    在笔记本电脑中应用eDP,主要是用其取代在笔记本电脑中沿用多年的LVDS,连接笔记本电脑的液晶显示屏。应用eDP的好处是内部走线更简单,效率更高,功耗更低。
    FDI是Flexible Display Interface的缩写,FDI总线主要用于传输Intel平台中从CPU到芯片组之间的显示信息。
    对于整合了显示核心的CPU来说,需要一条单独的通道与芯片组的显示单元相连,而FDI总线就可实现利用差分信号传输从CPU到芯片组(PCH)的显示数据。
    DMI是Direct Media Interface的缩写,中文译作直接媒体接口。DMI总线是Intel公司开发的一种总线类型,目前主要用于CPU与芯片组之间的通信。
    DMI总线采用点对点的连接方式,是基于PCI-E总线而开发的一种总线类型,其早期主要用于连接Intel平台中的南桥芯片和北桥芯片,是这两种芯片之间传送数据信息的通道。Intel公司的CPU内部集成了显示核心、内存控制器、PCI-E控制器等原北桥芯片的功能模块后,DMI总线则用于CPU与芯片组之间的通信。
    PCI Express简称为PCI-E,采用卓对点串行连接,取代了过去沿用数年的PCI总线,是目前一种被广泛应用的总线类型。
    PCI Express根据总线位宽的不同可分为X1,X2,X4,X8和X16等不同通道规格。PCI ExpressX16类型的总线主要作为CPU与笔记本电脑配置的独立显卡之间数据交换的通道。
    2. AM D公司的CPU
    如图2所示为AMD公司设计的APU系列CPU的信号引脚电路图,图2a中的GRAPHICS信号组缘主要用于连接笔记本电脑配置的独立显卡,GPP信号组线主要用于连接笔记本电脑的网络功能模块,UMI-LINK信号组线主要用作CPU与AMD公司的芯片组FCH芯片之间的数据交换通道。
    图2b所示为CPU的时钟信号引脚以及连接液晶显示屏接口、HDMI接口等功能模块的引脚电路图。




    图2c和图2d所示为CPU的内存控制信号引脚电路图。