·上一文章:详解电动型小家电故障分析与检修
·下一文章:奥迪A8轿车在车内感觉有轻微的抖动
一辆行驶里程约1.3万km的2012年奥迪A7轿车。该车防盗报警。
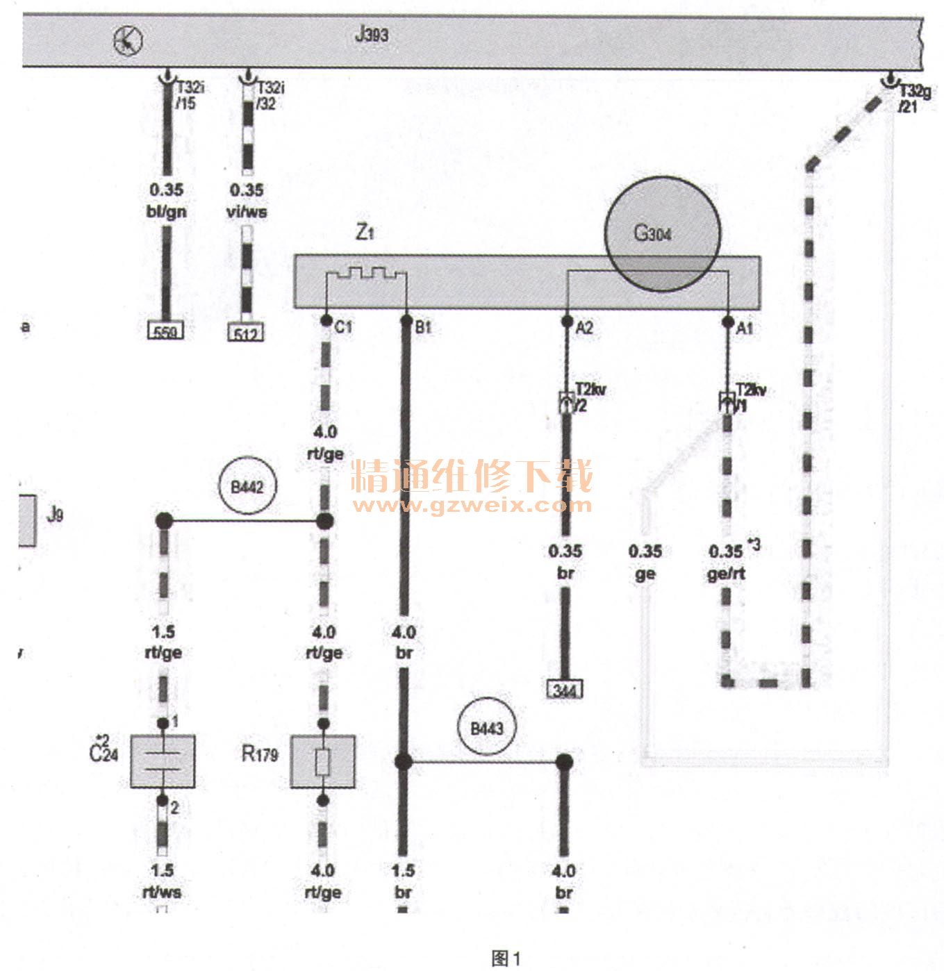
故障诊断:防盗偶然报警,用户来的时候车辆并不报警,5052检测无故障记忆,读取J393数据流显示后窗玻璃防盗破损传感器处于未连接状态,根据电路图检查发现该传感器位于挡风玻璃内,检查后挡风玻璃A1、A2两极点时发现连接处脱落,如图1和图2所示。


故障排除:更换后挡风玻璃。
相关资料:2014年最新奥迪原厂维修信息系统ELSA 5.1