·上一文章:松下P50UT30C型液晶电视电源板的原理与维修(一)
·下一文章:新款奔驰汽车技术通报二十九则
故障现象:创维26L16液晶彩电,雷击后不开机。
分析检修:该机为电源高压一体板,型号为SKYWORTH ZXQ 5800-P26TQM-00,这款电源比较简单,因为没有PFC电路。
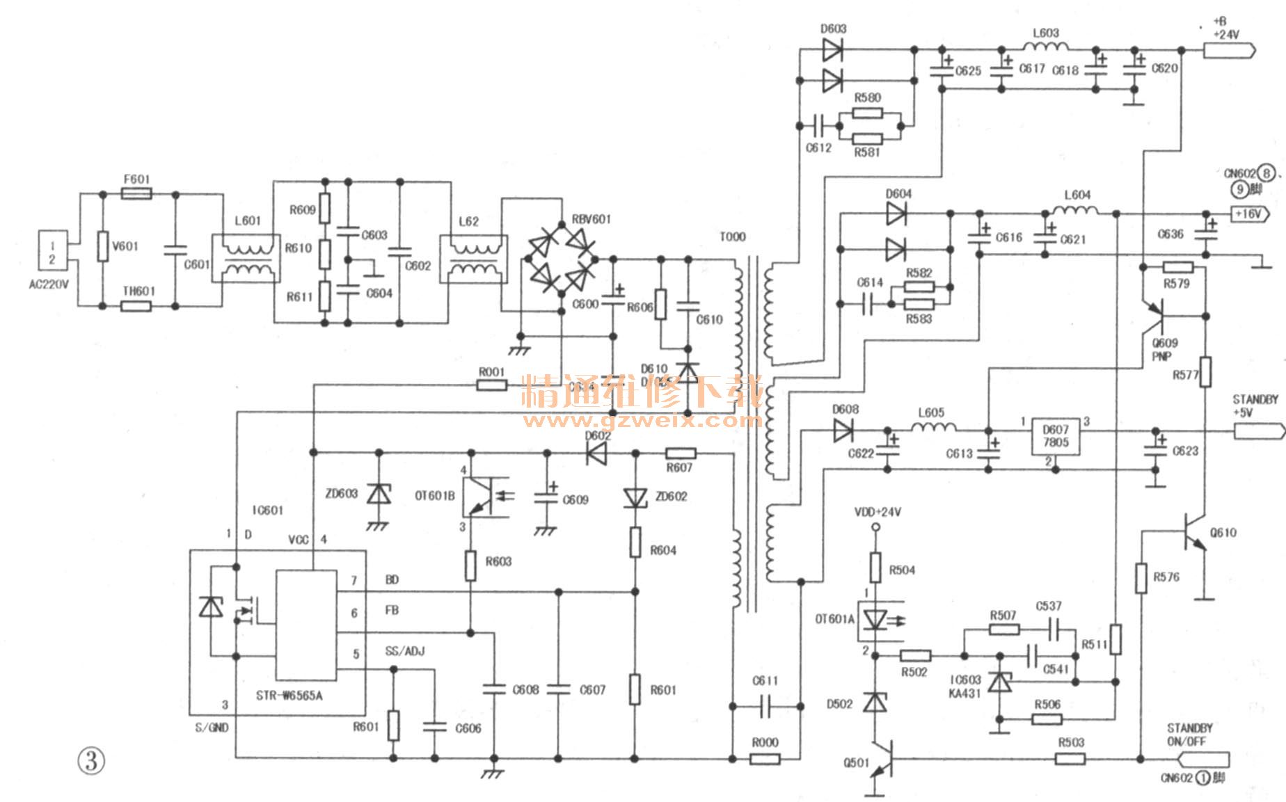
检查发现IC601(W6565A) ,ZD603 (30V)、稳压管OD601(817)、IC603 (KA431)已损坏,直接代换后通电试机,电源5VSB端无电压,可16V输出正常,24V输出变为27V,测量5V整流后滤波电容两端电压为7V。经查发现5V是通过D607(7805)三端稳压IC稳压后取得,在路测量D607的②脚和③脚正反祖电阻均为1kΩ,拆卸下测量②脚和③脚正反相电阻值仍只有1kΩ左右,换新后5V正常,24V高压部分供电空载还是27V,连接好机芯板插件开机工作正常,高压工作后电压为24V。印制板图如图1所示,实物如图2所示,相关电路如图3所示。



小结:这款机器的雷击故障在2013年已接修了几例,损坏元件基本相同,望同行在维修时注意。