相关电路如图所示。
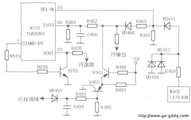
当N101(36)、(49)两个脚中任意一个脚电压异常时,微处理器便发出保护关机指令,①脚输出高电平,经电阻R610和R258加到V269的基极,V269饱和导通,(33)脚输出的行振荡信号被旁路,行输出部分停止工作,电视机进入保护关机状态。下面对(36)、(49)两脚的功能和与之有关的故障进行分析。
TDA9380芯片的(36)脚有灯丝过压和X射线保护功能。当灯丝电压过高时,经VD499整流后,电容C499上的直流电压升高.V462的基极电位也升高,V462由导通变成截止,V463的发射极电位升高,由截止变成导通,8V电压经过电阻R493和V463的e-c结加到TDA9380的(36)脚,(36)脚为高电位,电视机自动保护关机,(36)脚的正常电压应为1.8V左右,超过2V便自动保护关机。当(36)脚电压超过2V时,应先检查(36)脚外围电路,看R465足否变大或开路。如果R465正常,则测量灯丝电压或行输m变压器输出的16V直流电压。若电压高出较多,则说明已过压,应检查行输出电路和开关电源。若灯丝电压不高,就可以认定TDA9380芯片损坏,需换用新的芯片。TDA938(49)脚是场扫描失落保护和束电流限制输入脚,该脚正常电压约为2.5V。
如果场输出电路损坏或场输出信号不能送到(49)脚,且该脚电压超过3.6V时,则保护电路启动,自动关机。笔者曾修过一台康佳P2179K型彩电,刚开启电源,屏幕上刚一出现光栅便自动关机,此时测得(49)脚电压为3V.再检查场输出部分电路正常,怀疑是TDA9380内部的保护电路误动作,决定把(49)脚电压降至2.5V左有,于是在(49)脚与地之间并接上一只lOkΩ电阻,再测量该脚电压为2.45V,故障排除。
检修了多型该机芯彩电后发现,TDA9380芯片不良引起的自动关机故障有一特点:自动关机后,按频道键能开机,若还是自动关机,再按频道键,这样反复几次就不会自动关机了,好像芯片热了之后就能正常工作.如果确认是TDA9380不良引起的自动关机故障,可以在电压不正常的引脚((36)脚或(49))上二对地并接电阻试一试,若不行冉换用新的TDA9380。
