·上一文章:环宇牌47C-2彩电荧屏自上而下出现水平干扰横带,光栅和图像有“S”形扭曲
·下一文章:华强HQ-9145彩电开机后机内发出无规律的“啪啪”声,同时,屏幕上也随响声呈现水平横条干扰
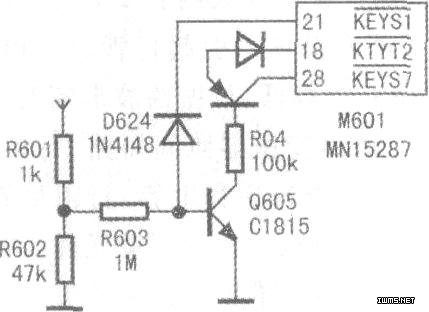
查各按键良好,换晶振X601后故障依旧,测CPU各脚电压未见异常。如图所示,测D624时,发现反向电阻为1MΩ左右,说明D624反向漏电,这也会引起Q605工作不稳定,造成CPU内部电路工作失常。更换D624后,按任意键不再出现开、关机现象和自动关机现象,故障排除。
