首 页文档资料下载资料维修视频包年699元
请登录  |  免费注册
当前位置:精通维修下载 > 文档资料 > 家电技术 > 维修案例库 > 彩色电视机 > 不能开机
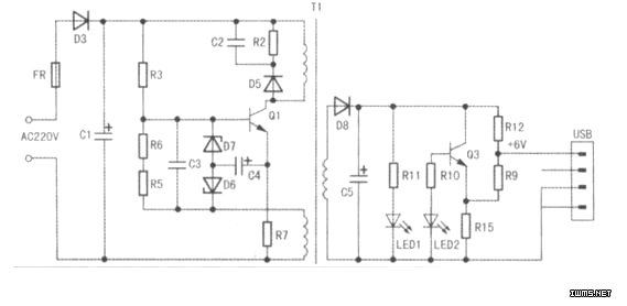
MP3(兼U盘)充电器电源指示灯不亮,输出电压为0V
来源:本站整理  作者:佚名  2011-08-11 18:55:35



  开盖细查,首先测量C1两端电压为OV,断电在路测负D3,感觉问题不大。但在细荐保险电阻FE时,发现有异样,拆下测量已断开,换新后,通电红色指示灯发亮,测虽输出电压6V正常,故障排除。

关键词:

文章评论评论内容只代表网友观点,与本站立场无关!

   评论摘要(共 0 条,得分 0 分,平均 0 分)
Copyright © 2007-2017 down.gzweix.Com. All Rights Reserved .
页面执行时间:360,179.70000 毫秒