·上一文章:皇冠CH-3.9D电热水瓶手压SB1或杯碰SB2,水泵不出水
					·下一文章:美的MC-SG203电磁炉,开关电源损坏
				
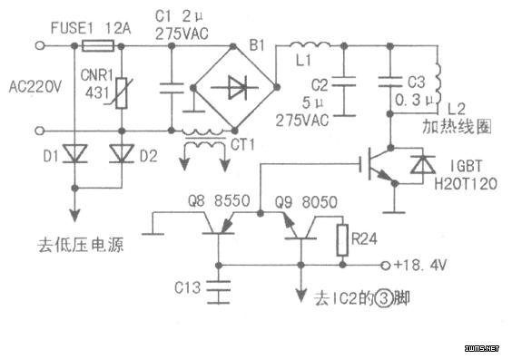
		       根据故障现象分析,“砰”声可能是炉内保险管熔断引起的,这说明电磁炉内有严重短路故障,根据维修经验来判断,该故障通常发生在高压电源电路,相关电路如图所示。
AC220V市电经保险管FUSEI(l2A/250V)后,经抗干扰电容C1及电流互感器CT1初级送至整流器B1,桥式整流产生脉动直流电压,通过扼流线圈L1、滤波电容C2滤波后产生近310V直流电压,为加热线圈L2与谐振电容C3、门控管(ICBT)提供工作电源。ICBT管受三极管Q8、Q9激励后产生高频振荡,高频交变电流流过加热线圈L2产生交变磁场,致使铁质锅产生涡流而发热,达到加热食物的目的。CNRI为压敏电阻,起过压保护作用。
打开外盖,发现FUSEI已熔断,玻璃管炸裂,肯定高压电源电路有短路故障。断电分别检查CNRI、C1、CTI、B1、L1、C2等元件未见损坏;再检查C3,发现充/放电很弱,用数字万用表电容挡测量,容量只有0.15μF左右。由于谐振电容容垦减小后,高频交变电流频率提高,因而导致IGBT管击穿。
换上同规格的保险管、谐振电容及门控管。更换门控管时,要在管子散热器上涂一层导热硅脂,并用螺钉固定。试机前,先拆下加热线圈L2,在原机接线柱OUT1、OUT2上跨接一盏1OOW/220V灯泡,接通市电,接下电源开关,操作“+”键、“-”键,灯泡不亮,说明电路基本正常。拆去灯泡,接好加热线圈,然后故土平底锅,通电试机,电磁炉正常加热,故障排除。
