·上一文章:飞利浦29PT468A/93R彩电,三无指示灯不亮,电源部分发出轻微的“吱吱”声
					·下一文章:创维5P21机芯彩电起初是黑屏,之后收不到U频段节目
				
		       此机刚开机时图像、伴音均正常,第一次转换频道,从1频道不重复地较到30频道,均正常,但第二次转换到同一频道则声音、图像变差,严重时无信号,好似图像中周失谐;开机后若始终看一个台,则无论看多长时间,故障也不出现,并且跑台故障只发生在台多的VH频段(本地UHF频段无节目);VL频段有七个台,但从不跑台。
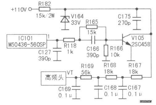
重点查调谐电压的形成电路,见下图。
接收VH频段的一个台+测微处理器IC101(M50436-560SP)(1)脚和调谐电压放大管VlO5基极电压在故障前后均很稳定,但VlO5集电极和高频头VT端电压故障时比正常时分别低0.2V和0.3V。由此可见,故障点应在V1O5集电极到高频头的VT端子之间。代换Cl67、Cl68和Cl69均无效。
测Vl64两端无33V电压,怀疑Vl64不良,换后Vl64两端仍无33V电压。测Rl82左端有100V电压,查R182也没有开路。仔细分析该机的调谐电压形成电路,发现它与一般彩电不同,一艘彩电在33V稳压管负极与调谐放大管集电极均接有一只lOkΩ~22kΩ的电阻,因此33V稳压管两端总有33V电;而该机Vl64和VlO5的c、e极并联,故Vl64两端电压不是固定的,而是变化的。当把V105的基极和发射极短路后,VlO5截止,Vl64两端电压为33V。怀疑Cl75漏电,换上同一规格的电容后,故障仍未排除,初步判定33V形成电路无故陴。
转而怀疑高频头不良,换一新件,故障现象不变,排除高频头的故障。怀疑VlO5不良,另换一只同号的管子,仍不起作用,至此维修陷人困境。
逐一检查VlO5集电极到高频头VT端的电阻,均正常。按图分析,Cl75承受的电压较高,难道Cl75耐压不够,换用一只220pF/2kV的高压瓷片电容后,故障排除。
