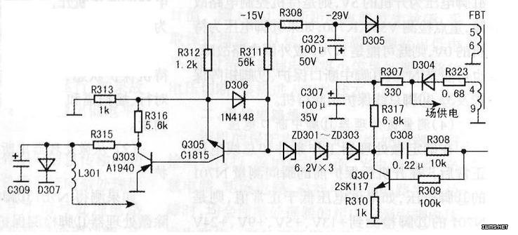
此机属于5T21机芯,行输出变压器损坏。原行变型号为5100-051229-00BSC29-3925,其(1)、(2)、(10)脚通,(3)、(9)脚通,(4)、(5)、(6)、(7)脚通,脚位功能如下:(1)脚,行管;(2)脚,+B(11OV);(3)脚,AFC;(4)脚,场供电;(5)脚,-27V,枕校供电;(6)脚,GND;(7)脚,灯丝供电;(9)脚,空;10脚,视放供电。
由于创维原装行变难购,购得一只5100-051229-00行变,换上后断开场输出块TDA8427供电脚,机高压正常,测得场供电电压为33V,这时机内发出“啪”的一声。关机检查,发现C323(100μF/50V)已爆裂,换用一只100μF/160V电容后,测得两极电压为-93V,正常应为+27V,显然绕组不对。在行变磁芯上用细导线绕了14匝后电压为-32V,改接到原电路上,连接场供电开机图像出现,场副正常,行副也基本正常,仅枕形失真(图像向内凹)。测量Q303(A1940)的c极电压为OV,拆下该管检测正常,检查其他元件也未见损坏。为判断问题出在前缀还是后级,断开大功率三极管A1940,再测量枕校电容C309两端的电压约为-40V,说明问题出在TB1240的(35)脚到A1940这段电路上。开机进总线,涸枕校参数,并用表测量TB1240枕校输出端电压有没有变化,如果有,说明故障在枕校电路;如果无,则说明有可能是总线的问题。
进入总线调整:先将音量关至最小(00),按住机器面板上的“VOL-键”,同时按遥控器上的“屏显键”进入“S”模式,此时屏幕右上角会出现“S”字符;按遥控器“屏显键”,屏幕右上角的“S”字符消失(清除屏幕OSD字符),再重复上述步骤,进入“D”模式,此时屏幕右上角会出现“D”字符。按“频道+/-键”变项目,按“音量+/-键”改变参数#进入D状态后,按“菜单”键切换到调试菜单“10”,调整下列项数据:
DPC(枕行失真校正),11;KEY(梯形失真校正),DA;WIT(行幅调整),09;CNR(光栅角部失真校正),1F。
调整各项参数发现图像未见变化,但TB1240(35)脚电压在2.1V~4.5V之间变化,这说明问题出在枕校电路中,如图所示。逐一代换Q301、Q303、D307、C309等元件,失真依旧。机主称在行变坏之前图像正常,难道行变型号不对?查看图纸后发现,行变(4)脚不但给场供电还给枕校电路供电,估计问题还是出在新换的行变上。
将行变(4)脚外接电阻R323由0.68Ω换成20Ω后供电降到28V,开机图像正常了。接下来拆掉磁芯上的绕组,绕组拆除,在行变(5)脚串接一只330Ω电阻,C323两端电压降为-29V,整机工作正常。
