·上一文章:海信KFR-3602GW/BP空调能开机,但没有反应
·下一文章:海信KFR-60LW/BP空调运行一段时间后,制热时风机不转,室外机正常
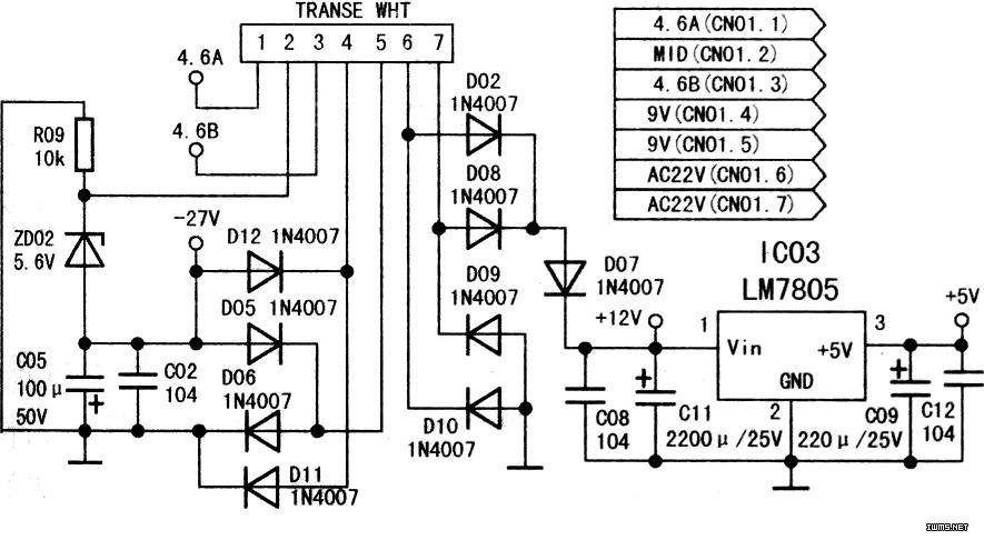
此类故障一般是干扰造成的,应先从电源部分入手检测。用万用表测试DC12V,结果测得指针在9V左右摆动,测变压器和整流二极管均正常。取下电解电容C05测试,发现其电解液已泄漏,无容量,更换电容后正常。经分析得知,电容C05无容量,使直流电中纹波增多,电压降低,使控制电路无法正常工作而引发该故障。VFD屏显电路如下图所示。
