首先,确认行是否工作。行不工作,电视当然黑屏了。
行不工作,涉及数字电路中的控制系统、行激励脉冲形成电路及行输出电路等。如果观察灯丝发亮、测量加速极电压、视放190V电压等正常,可判定行电路、开关电源已工作。
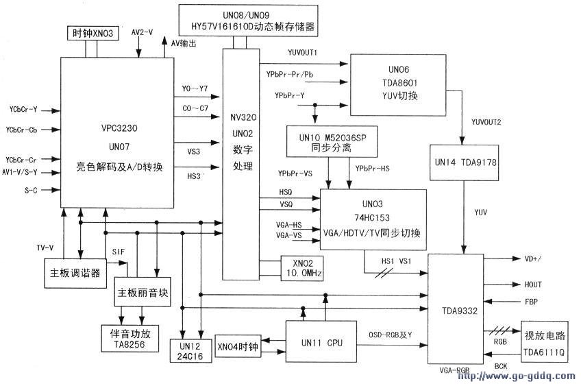
做了上述判定后,要弄清故障机CRT不能正常发光的原因,首先要弄清三基色视放电路及前级RGB处理电路特点,以此确认故障发生部位。此机电路组成框图见上图。
TV信号送入末级视放电路TDA6111Q进行放大,并通过CRT显示,这一过程要通过VPC3230进行模拟信号处理,模/数转换形成8位二进制数字信号YO~Y7和CD~C7,然后送入NV320进行变频处理。变频后的数字信号再经NV320内作D/A变换(因为CRT电子扫描是模拟方式的),转换成模拟YUV信号送入TDA8601与高清信号(已被其他数字设备变频,作为D/A转换后形成的YPbPr分量信号)进行切换选择,经TDA8601选择后的TV信号再经TDA9178亮色瞬态改善后,送入TDA9332组成的RGB处理电路进行矩阵变换,与CPU送入的OSDRGB信号和PC机送入的RGB信号进行切换选择,再在I2C总线控制下完成对比度、亮度、色饱和度等控制,送入RGB末级处理电路进行白平衡控制后,由TDA9332(40)~(42)脚送至末级视放电路TDA6111Q。
若此黑屏故障机开机后的表现为灯丝亮,表明电源、控制系统、行扫描电路工作正常;TDA9332输出行激励脉冲,说明I2C总线正常工作,5V电压、调谐器所需的电压及伴音功放电压正常;黑屏,无字符,表明TDA9332RGB混合处理及以后的电路工作不正常,因为此机字符信号只通过TDA9332去视放电路。从上述分析可以看出,末级视放电路与TDA9332之间组成了一种循环控制电路,此控制电路称作“黑电流检测控制电路”。此技术首先在高清电视上应用,现也在普通CRT电视中也大量应用。
因此,首先测量视放板插座XS54B中的R、G、B及BCK脚电压,发现R、G、B三脚电压只有0.8V,正常应为3.8V左右。RGB与BCK、视放电路、行变间的关系如中图所示。RGB输出受(43)、(44)脚输入的两路反馈信号和CPU输出的亮度、对比度等参数控制。由于该机ABL电路出故障不会导致电视机出现黑屏故障,故本故障不必对ABL电路进行检查。据前所述知道I2C总线控制正常,故怀疑RGB输出不正常与视放电路反馈的BCK有关。检修时,可采用调节加速极电压、增强CRT发射电子能力、测量BCK脚电压的方式来进行故障范围判定。
调节加速极电压时,测量BCK脚电压能在3.3V~8V间变化,表明改变CRT工作电压时,CRT束流的变化能通过CRT电子枪调节末级视放RGB电压,并通过BCK将RGB电压变化量反馈送入TDA9332(44)脚,实现TDA9332输出RGB直流电压的调整和视放末级电路工作状态的改变,从而达到光栅暗平衡自动调整的目的。实践证明。BCK脚电压降到3.3V及以下时,光栅将出现黑屏。
在实践中发现,若调整加速极电压时,BCK脚电压有变化,测量RGB输入脚电压较低,表明BCK反馈控制电路工作正常,故障可能在TDA9332自身或末级视放电路。
检修这种故障机时,首先检查视放电路TDA6111Q。
TDA6111Q内部只有一路运算放大电路,为实现三种RGB放大,本机视放电路采用了三块TDA6111Q。
尽管由TDA6111Q组成的三路RGB放大电路是对称的,但检修这样的电路故障还是比较麻烦。这时根据电路的对称性给大家提供故障的判定和检修方法。具体地说,就是结合测量电阻、电压进行故障判定。如三块TDA6111Q(3)脚的对地电阻,正常时应为1.5kΩ(因为此脚的下拉电阻为1.5kΩ),如果实测其中一脚电阻不正常,则需要检查此脚外接元件,如下拉到地的1.5kΩ电阻、反馈电阻( 68kΩ),若异常,则替换该lC。因为(3)脚接差分运算放大器的负端,三块lC的(3)脚分别为R、G、B信号输入脚。
运算放大器的正端为(3)脚,要实现放大器输出功率最大,要求(1)脚(正端)与(3)脚(负端)电压几乎接近,而(1)脚电压由12V电压通过RX01、RX02分压形成。为稳定(3)脚直流电压,三块lC的(3)脚上设置了直流反馈电阻RX09、RX10、RX11,其中一块的电路如下图所示。
如果测量(3)脚对地电阻正常,而(1)、(3)脚电压都不正常,则要仔细分析。因为(3)脚电压受反馈影响而(1)脚电压是固定的,如果(1)脚电压异常,必导致运放输出电压不正常,输出电压不正常又引起(3)脚电压更加不正常,从而出现(1)、(3)脚电压同时不正常的情况。故(1)、(3)脚电压同时不正常时,需检查(1)、(3)脚及(7)~(9)脚外部元件。这时可通过测量(7)~(9)脚对地电阻来判定失效部位。用数字万用表200k挡测量(黑表笔接地)(6)~(8)脚对地电阻应为∞,(9)脚为67.5kΩ。若实测三块IC(7)~(9)脚电阻异常,则检查外部电路或更换IC,以排除故障。

