此机刚开机一切正常。20分钟左右图像光栅逐渐变暗。画面中间出现两条垂直较暗的白带。随后保护关机。过几小时机器凉了再开机,又重复以上的现象。
这种故障多是由于电路中有的元器件热稳定性差引起。拔下XS903。断开开关电源输出(140V)的负载电路。断开R935,在开关电源(140V)输出端接一假负载,再输入120V电压后开机,电源输出各电压均正常,说明稳压电源基本正常。将电视机恢复,在(140V)输出回路中串联一只电流表,开机,仔细观察发现,开始电流约为1A,较正常,十几分钟左右逐渐增加,当电流增至1.5A左右时,开关电源的过流保护电路动作,电视机关机。从关机前画面出现垂直的暗白带和光栅变暗的现象来看,应重点检查行扫描。
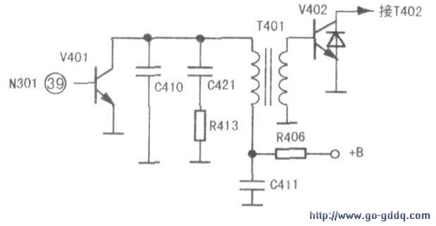
由行扫描电路的工作原理可知,在行扫描正程的后半段。锯齿波电流很大。要想把行输出管变成c—e结压降极低、内阻极小的理想开关,就必须给行输出管提供较大的基极激励电流。否则,c—e结压降会增大,损耗也同时会增大,造成行扫描线性变坏。为了使行输出管迅速地完全截止,就必须为行输出管提供足够大的反向驱动脉冲电流,否则截止恢复的时间将延长。同时也使行输出管的损耗增大。从附图中可以看到,在该机行输出电路中,能够引起行输出级波形异常,并引发行电流过大的器件主要有:行激励管V401和行激励电流中的滤波去耦电容C410、C411。
更换V401故障不变,更换C410故障依旧,再换C411后故障排除。
由于C411在工作时。漏电流随温度的升高逐渐增大,使140V主电源电流不断增大。导致开关电源的过流保护电路动作而关机。另外,C411对流经行激励变压器T401初级线圈中的磁化电流(即V401集电极电流)分流,使V401导通时变压器T401储存的磁能减少,造成在V401截止时,通过变压器T401耦合。由次级线圈向负载释放的能量相应减少,行激励不足。行输出级V402集电极上的反峰脉冲波形严重变形,导致电视机出现光栅变暗并在中间。出现两条较暗的白带。
