·上一文章:TCL王牌采用PWL37C电源板的彩电不能开机
·下一文章:TCL王牌使用PWL4201C电源板的彩电没有12V、24V电压
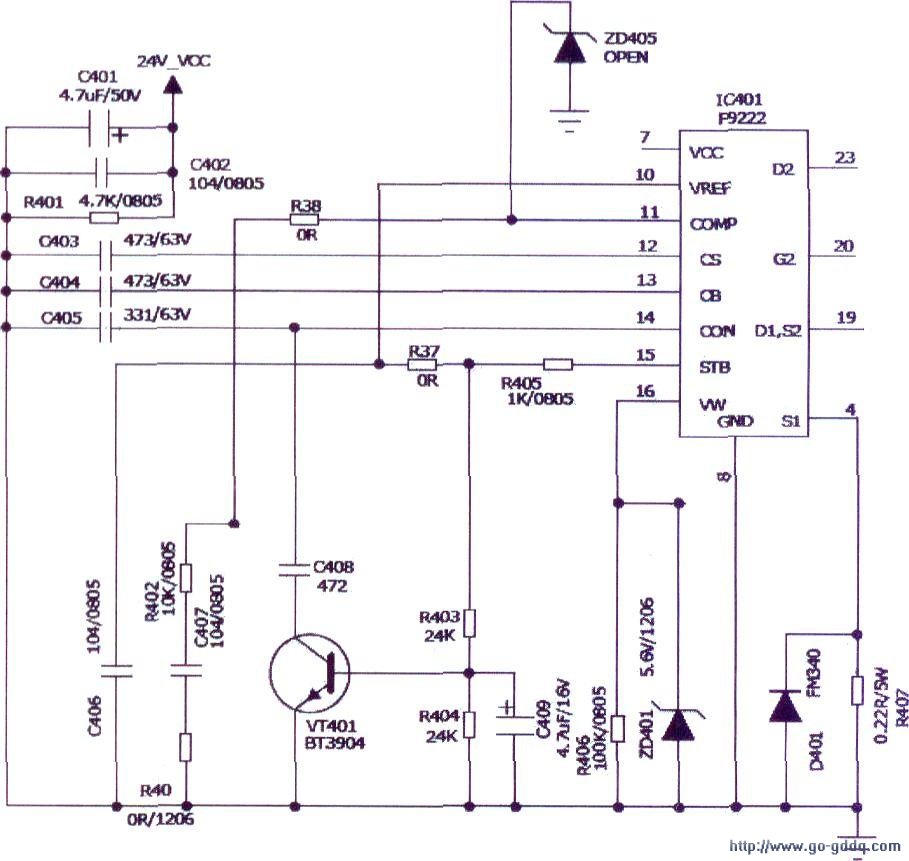
开机测5v待机电压正常,强制开机后,12V电压也正常,但是没有24V电压。根据电路原理图可知,12v和24v电压是在PFC之后各自的产生电路中产生的,现在12V正常,说明PFc电路正常。问题仅仅是在24V的形成电路。于是将检修重点放在24V的PWM电路上对比测试IC401各个引脚的电压,发现Ic401的第(10)脚没有参考电压输出。而实际IC401的第(10)脚应该有5V的参考电压输出,断电后测试IC401的第(10)脚对地电阻,发现对地短路。代换IC401后再次测试,电阻还是短路,说明IC401的外圈电路有异常。检测外围电路,发现C406短路,更换后测试,电阻恢复正常,开机测试,故障排除(见图)。
