据机主讲:当时正在收看电视,机器突然自动关机,而电源指示灯依旧亮着:按面板上的“频道”键即可重新开机收看,且图像、声音均正常。自此之后故障便会不定时出现;故障严重时,在荧光屏刚出现光栅时便自动关机,根本不能正常收看。遂请一维修人员上门修理。他判断机内有接触不良的现象,于是补焊有关线路,试机几分钟机器正常,以为故障排除,遂合上后盖继续试机,不料几分钟之后故障重现。考虑到故障棘手难以解决,遂介绍机主送我处修理。
检修过程:该机采用海信A12机芯,即LC863328A-5S15+LA76810。打开后盖,前任维修员已将开关电源初次级、+5V、+8V、+12V稳压等电路进行了补焊。本人又将容易产生虚焊的电路(如“开/待”机控制电路,行、场输出电路,小信号处理电路LA76810等)但未补焊之处进行地毯式普查并补焊一遍,确保再无虚焊疏漏之处,试机结果依旧!一切全在意料之中,看来故障不是虚焊引起,而是另有原因。
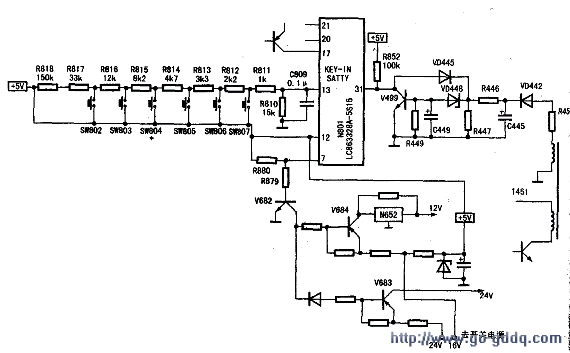
由于机器故障时,二次开机即可恢复收看,于是决定先检查该机的“开/待”机控制电路。电路如图1所示,当按压遥控器“开/待机”键或面板“频道上/下”键开机时,CPU(N801)“开/待机”控制输出端⑦脚输出高电平,三极管V682(C1815)饱和导通,其c极电压为0V。这个低电平信号被分为两路:一路使V684饱和导通,接通开关电源输出的+16V电压,经三端稳压块N652、N651稳定为+12V、+8V,为行、场小信号处理电路LA76810供电,内部的行场小信号处理电路得电开始工作,并输出行、场激励信号;另一路控制V683饱和导通,接通开关电源+24V输出电压,给行激励级、场输出级供电,于是行、场输出电路开始工作,机器处于正常工作状态。当按压遥控器“开/待机”键关机时,N801⑦脚输出0V低电平,V682、V683、V684相继截止,切断行、场信号处理电路供电使其停止工作,整机处于待机状态。实测N801⑦脚电压,正常工作时为5V高电平,当故障出现时电压下降为0V。试将N801⑦脚与外围电路断开,发现显像管灯丝始终点亮,丽荧光屏时而满屏光栅、时而呈黑屏状态,估计黑屏原因是机器自动关机引起,同时说明N801⑦脚外围“开/待机”控制电路正常,自动关机是CPU内部电路发出待机指令的结果。根据维修经验,认为其原因有三:(1)CPU“工作三要素”不稳定,如+5V供电不良、时钟振荡电路停振、复位电路不良;(2)遥控器或面板控制电路误动作,如面板或遥控器“开/待机”控制键有短路、漏电现象;(3)保护电路动作,使机器处于待机状态。
先监测N801 12脚供电端子电压为5.3V,故障前后均非常稳定,没有突变现象,但考虑到5.3V比正常时的+5v高出0.3V,曾在《家电维修》上看到过由于CPU供电偏高而导致工作异常的文章,本机故障说不定也是由供电偏高引起。遂断开其供电线路上一跳线,然后在其上串联一只二极管,实测其供电为4.8V,经试机故障依旧。又测量⑩脚复位端电压(+5v)非常稳定;进一步检查⑨⑩脚时钟振荡电路,发现正常时⑨脚电压为0.6V,故障出现时降为0.2V,经检查代换相关阻容元件无效。想代换晶振X801,但手头没有晶振备件,只好作罢。又检查控制电路,观察该机面板共有六个按键,没有专门的“开/待机”控制键,逐草率地认为故障与面板按键无关!又想遥控器上设有专门的“开/待机”键,或许是其漏电误动作所致,将其电池取出之后故障依旧,说明遥控器无漏电现象。
故障压缩至CPU保护检测电路,经查资料得知LC863328A-5S15的31脚为保护电路检测输入端。该机有灯丝过压(X射线过量)/欠压检测电路,当31脚电压为高电平时机器正常工作;低于3V时,CPU内部电路判断有过压或欠压现象发生,从⑦脚发出待机指令,切断行、场处理电路供电,使机器处于待机状态,以达到保护目的,分析结果是31脚电压在X射线过量保护时为0V,灯丝欠压保护时为2V,正常工作电压在3V以上,特请同行检修时注意。
测得机器正霹}工作时N801 31脚电压为3.2V左右,且有逐渐下降趋势,当电压降至2.5V时自动关机,关机后电压继续下降至1V以下。怀疑V499饱和导通或其ce极有漏电现象。先测量V499be结电压为0V,又检查V0448、V499等元件正常,试代换之,故障依旧。为尽快判断故障范围,断开31脚与保护电路之间的跳线,测其电压依旧未见回升,此时31脚外仅剩上拉电阻R852,难道其开路或是阻值不稳定?断开R852一脚,测其阻值未见异常,便用R×1k挡测量31脚对地正反向阻值均为2kΩ左右,恢复R852后却意外地发现,30脚的电压又上升至2V左右了,再测其对地正反向阻值也相应上升至7.5kΩ以上!检测结果说明N801 31脚内电路有不稳定的漏电现象,从而导致机器有时能正常工作、有时自动关机的现象,判断CPU损坏!待购回尾号相同的CPU装上,检查焊接无误之后开机,荧光屏上出现了正常的光栅,经测量31脚的电压为3.2V且异常稳定;插上天线接收电视图声均正常无异。
关机,将电路板插回机内,暂不装后盖,进行交机前试机,光栅出现后意外地发现机器正在进行自动搜索电台。真是怪事天天有,今天特别多。除电源开关之外并没有按过任何按键,为何一开机就进行自动搜索2难道本机键碰到前面板而误触发?经观察排除这个可能,又猜测CPU可能具有自动搜索电台的“智能”
程序,耐心等待机器搜索结束自动转入收视状态,发现图像声音倒也未见异常,不料机器忽然“吱”的一声后图声消失。不由得心里一沉,不敢关闭电源开关,赶紧小心地抽出线路板,测得N801的⑦、31脚电压分别为0V、2V,说明机器已进入待机状态。
正在分析检修当中,机器突然又“吱”的一声自动开机了,稍后几秒钟又自动关机。就这样频繁地关机、开机,似乎有人在不知疲倦地按压遥控器上的“开/待”机键。在机器频繁的启动中注意到像管高压咀和管座处有轻微的放电现象,难道是高压放电在“搞鬼”?于是更换高压帽、显像管座,并在高压咀处涂上灭弧灵,打火放电现象消声匿迹之后,故障现象却未见消失。
维修就这样陷于困境之中,由于手头还有许多机子待修,故决定将这台机器先放一放,工前工后又隔三岔五地对其进行蜻蜓点水检修,逐渐发现以下的蛛丝蚁迹:(1)接通电源之后,机器有时直接进入开机状态,有时处于待机状态,此时按压遥控器上的“开/待机”键,时而能开机、时而不能开机,即遥控器开机时灵时不灵;但与之相反,按面板上的“频道下/上”键则“百发百中”,每次均能正常开机;(2)机器经常出现自动地在AV状态与TV状态之间互相转换,或自动出现模拟量调整菜单、功能设置菜单或执行自动搜索功能,在字符显示混乱之时说不定机器又会什么时候“吱”的一声便关机了;再开机也许可以工作一段时间,但何时故障重演则无任何规律可言;(3)在频繁的开机关机中监测31脚的电压,发现每次都是开机时由2V升至3.2V,关机时由3.2V降至2V,又测得其对地正反向阻值均在分析认为机器在“忠实”地执行某一项指令,这指令是谁发出的呢?是遥控器吧?将其电池取出,故障依旧,说明故障与其无关。那么故障在面板控制电路吧?该机面板电路采用电压比较式按键电路,共计有“频道∨/∧”、“音量+/-”、“菜单”、“AV/TV”六个按键,无“POWER”按键,难道也会有“POWER”功能?
联系到《家电维修》2000年第lO期张作钦的《无AV/TV键,也有AV/TV转换功能》一文,看来该机也是“无POWER键,也有POWER功能”。又该机故障前后几天我们这里的空气非常潮湿,地板墙壁到处都有水珠冒出。也曾修理过几台遥控不起作用或面板控制混乱的机器,无一例外都是由于面板按键漏电引起,更换相应漏电的按键之后故障排除。因此怀疑此次故障的原因是本机控制电路漏电。先测量N801键盘控制输入端13脚电压在0.2V-1.8V之间波动,当电压波动至0.6V时机器自动关机,说明故障确与面板电路有关!遂用电阻R×1k挡测量按键SW802-SW807的在路阻值,发现SW804阻值明显偏小。将其拆下测量,阻值在10~100kΩ之间游移不定,更换后所有故障均一扫而光。
后记:针对本机的两种自动关机现象,特做以下实验:
(1)面板按键,拆除SW804,然后在其两脚上分别并上不同阻值的电阻R。以模拟SW804飘忽不定的漏电阻值,发现:当R=6.4kΩ时荧光屏出现菜单目录;当R=36kΩ时在AV/TV之间转换;当R=56~64kΩ时出现自动关机现象。说明机器面板上虽然没有“POWER”按键,但实际上LC863328A内部已有这个功能,只不过厂家未开发设置罢了。
(2)31脚的保护功能,●拆除V499、VD445、R852,取一阻值为200kΩ的电位器VR,滑动端接31脚,其它两脚分别接+5V和地。调节VR使其滑动端电压为4V左右,然后二次开机,缓慢地调节VR使其电压逐步降低,发现当电压小于2.6V时机器自动关机,说明2.6V是CPU内部保护电路起控临界点。取下VR,恢复31脚外电路,二次开机后又断开VD442,此时VD445正向导通,测得31脚电压降为2V左右,机器出现自动关机现象。●取下新CPU,把原机CPU重新装回,一开机即出现自动关机,经多次重复测量其31脚电压均在1V以下。考虑该CPU仅内部保护电路损坏,弃之可惜,设想通过修改其外围电路继续使用。先试着减小R852阻值为15kΩ时,二次开机后测得其电压在3V左右波动,自动关机现象仍时有出现,但直到将R852减为5.1kΩ,也无法消除故障,看来想单纯通过减小R852来达到修复之路不通。又考虑用电流冲击法烧断内部病灶进行修复,用镊子直接短路R852十多秒钟后出现一开机就自动关机现象,测量31脚已由以前至少有0.5V电压降至0V,说明CPU的+5V供电电压太低,内阻太大,不足以烧断内部病灶电路,看来需用N652输出的+12V电压冲击方能奏效。于是断开N801的⑦脚,以保证+12V供电连绵不绝,将万用表置于电流250mA挡,红表笔接N652③脚12V输出端,黑笔接CPU 31脚,发现通电开机几秒钟内电流达200mA以上,随后电流逐渐下降至50mA左右并保持长时间稳定不变,撤离表笔,发现R852若保留原值100kΩ,则一开机就会自动关机,经试验将其减小至2.4kΩ时,31脚电压为4.2V左右,经长时间试机故障不再出现。于是交付用户使用,一个月过去了,未见有不良的反映。
