首 页文档资料下载资料维修视频包年699元
请登录  |  免费注册
当前位置:精通维修下载 > 文档资料 > 家电技术 > 单元电路介绍 > 基础电路
LM386典型应用电路
来源:本站整理  作者:佚名  2010-01-22 09:15:50



电压增益为20的放大电路:

LM386典型应用电路

电压增益为50的放大电路:

LM386典型应用电路

电压增益为200的放大电路:

LM386典型应用电路

在85Hz具有6db增益的放大电路:

LM386典型应用电路

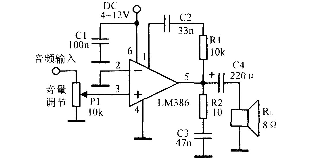
用于收音机中的LM386:

LM386典型应用电路

关键词:

文章评论评论内容只代表网友观点,与本站立场无关!

   评论摘要(共 0 条,得分 0 分,平均 0 分)
Copyright © 2007-2017 down.gzweix.Com. All Rights Reserved .
页面执行时间:11,468.75000 毫秒